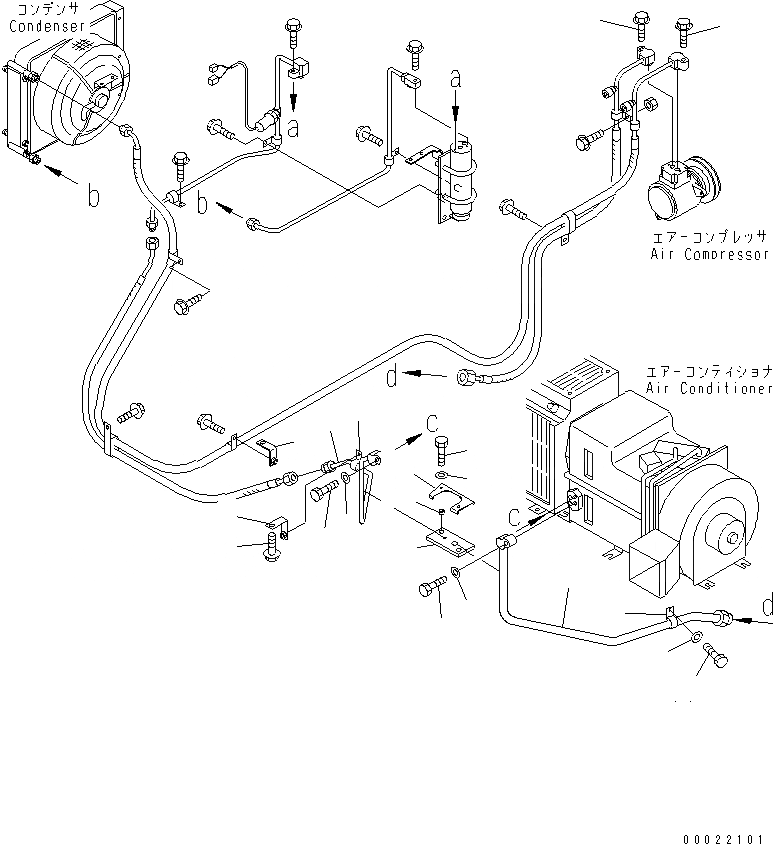
Запчасти Komatsu WA80-3 КОНДИЦ. ВОЗДУХА (ТРУБКИ КОНДИЦИОНЕРА) (С КАБИНОЙ И КОНДИЦ. ВОЗДУХА)(№-) OPERATIORS ОБСТАНОВКА И СИСТЕМА УПРАВЛЕНИЯ

Схема запчастей Komatsu WA80-3 - КОНДИЦ. ВОЗДУХА (ТРУБКИ КОНДИЦИОНЕРА) (С КАБИНОЙ И КОНДИЦ. ВОЗДУХА)(№-) OPERATIORS ОБСТАНОВКА И СИСТЕМА УПРАВЛЕНИЯ
1
2
3
3
4
5
6
7
7
8
8
9
10
11
12
13
14
15
16
17
FIT
1:1
100%

Артикул

Название

Примечание

Количество

1

42A-16-11231

PLATE

SN: 11258-UP

1шт.

2

01435-01016

BOLT

SN: 11258-UP

1шт.

3

01435-00625

BOLT

SN: 11258-UP

2шт.

4

415-06-25120

PLATE

SN: 11258-UP

1шт.

5

415-S62-2530

TUBE

SN: 12001-UP

1шт.

5

09488-90400

O-RING

SN: 12001-UP

1шт.

6

415-S62-2540

TUBE

SN: 12001-UP

1шт.

6

09488-90700

O-RING

SN: 12001-UP

1шт.

7

01010-80630

BOLT

SN: 12001-UP

2шт.

8

01643-30623

WASHER

SN: 12001-UP

2шт.

9

04434-50810

CLIP

SN: 12001-UP

1шт.

10

04434-51610

CLIP

SN: 11258-UP

1шт.

11

01010-81020

BOLT

SN: 12001-UP

1шт.

12

01643-31032

WASHER

SN: 12001-UP

1шт.

13

421-07-23950

PLATE

SN: 11258-UP

1шт.

14

421-07-23980

SHEET

SN: 11258-UP

1шт.

15

421-54-13850

SPACER

SN: 11258-UP

2шт.

16

01010-80630

BOLT

SN: 12001-UP

2шт.

17

01643-30623

WASHER

SN: 12001-UP

2шт.

Выбрано товаров: 19