Запчасти Komatsu WA80-3 УПРАВЛЕНИЕ ПОГРУЗКОЙ (РЫЧАГ ЭЛЕМЕНТЫ КРЕПЛЕНИЯ И КАБЕЛЬ) OPERATIORS ОБСТАНОВКА И СИСТЕМА УПРАВЛЕНИЯ

Схема запчастей Komatsu WA80-3 - УПРАВЛЕНИЕ ПОГРУЗКОЙ (РЫЧАГ ЭЛЕМЕНТЫ КРЕПЛЕНИЯ И КАБЕЛЬ) OPERATIORS ОБСТАНОВКА И СИСТЕМА УПРАВЛЕНИЯ
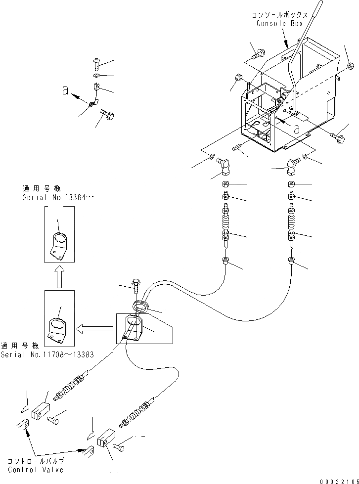
1
2
3
4
4
5
5
6
6
7
7
8
8
9
9
10
10
11
11
12
12
13
13
14
14
14
15
16
17
18
19
20
21
FIT
1:1
100%

Артикул

Название

Примечание

Количество

1

01435-01016

BOLT

SN: 10001-11257

1шт.

2

01435-01020

BOLT

SN: 10001-11257

2шт.

3

04025-00520

PIN,SPRING

SN: 10001-11257

1шт.

4

04256-51025

JOINT,BALL

SN: 10001-11257

2шт.

5

01643-31032

WASHER

SN: 10001-11257

2шт.

6

01595-01008

NUT

SN: 10001-11257

2шт.

7

417-43-28220

JOINT

SN: 10001-11257

2шт.

8

01508-41006

NUT

SN: 10001-11257

2шт.

9

415-43-28140

CABLE

SN: 10001-11257

2шт.

10

417-43-28280

GROMMET

SN: 10001-11257

2шт.

11

04210-20624

YOKE

SN: 10001-11257

2шт.

12

04205-10622

PIN

SN: 10001-11257

2шт.

13

04052-10633

PIN,SNAP

SN: 10001-11257

2шт.

14

415-43-28153

PLATE

SN: 13384-UP

1шт.

14

415-43-28152

PLATE

SN: 11708-13383

1шт.

14

415-43-28151

PLATE

SN: 10001-11707

1шт.

15

426-09-11230

GROMMET

SN: 10001-UP

1шт.

16

01435-01020

BOLT

SN: 10001-UP

2шт.

17

417-43-28250

PLATE

SN: 10001-11257

1шт.

18

08052-01311

CLIP

SN: 10001-11257

1шт.

19

01220-40610

SCREW

SN: 10001-11257

1шт.

20

01641-20608

WASHER

SN: 10001-11257

1шт.

21

01435-00812

BOLT

SN: 10001-11257

1шт.

Выбрано товаров: 23