Запчасти Komatsu WA80-3-SW СОЕДИНИТ. УСТР-ВО (ДЛЯ P.A.P.) РАБОЧЕЕ ОБОРУДОВАНИЕ

Схема запчастей Komatsu WA80-3-SW - СОЕДИНИТ. УСТР-ВО (ДЛЯ P.A.P.) РАБОЧЕЕ ОБОРУДОВАНИЕ
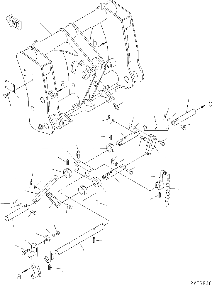
1
2
3
4
5
6
7
8
9
10
11
12
13
14
15
16
16
17
18
18
19
19
20
20
21
22
23
24
24
25
26
27
28
29
30
30
31
31
32
32
33
33
34
34
35
35
36
36
37
37
FIT
1:1
100%

Артикул

Название

Примечание

Количество

1

415-914-1411

FRAME

SN: 10001-UP

1шт.

|1

415-914-1421

PLATE (WELDED)

SN: 10495-UP

1шт.

|1

415-914-1420

PLATE (WELDED)

SN: 10001-10494

1шт.

2

09601-60000

PLATE¤ NAME,(LIMITED SUPPLY)

SN: 11001-UP

1шт.

|2

09601-00835

PLATE¤ NAME,(LIMITED SUPPLY)

SN: 10001-11000

1шт.

3

04418-13060

SCREW

SN: 10001-UP

4шт.

4

415-879-1220

LEVER

SN: 10001-UP

1шт.

5

415-879-1230

LEVER

SN: 10001-UP

1шт.

6

04025-01050

PIN,SPRING

SN: 10001-UP

1шт.

7

01010-81240

BOLT

SN: 10001-UP

1шт.

8

01643-31232

WASHER

SN: 10001-UP

1шт.

9

01596-01211

NUT

SN: 10001-UP

1шт.

10

415-879-1211

ROD

SN: 10001-UP

1шт.

11

04025-01065

PIN,SPRING

SN: 10001-UP

1шт.

12

415-879-1240

BRACKET

SN: 10001-UP

1шт.

13

04025-01050

PIN,SPRING

SN: 10001-UP

1шт.

14

415-879-1340

SPRING

SN: 10001-UP

1шт.

15

415-879-1260

LINK

SN: 10001-UP

1шт.

16

415-879-1270

COLLAR

SN: 10001-UP

2шт.

17

415-879-1250

PIN

SN: 10001-UP

1шт.

18

04025-01065

PIN,SPRING

SN: 10001-UP

2шт.

19

07020-00000

FITTING,GREASE

SN: 10001-UP

3шт.

20

415-879-1310

LINK

SN: 10001-UP

2шт.

21

04205-11250

PIN

SN: 10001-UP

2шт.

22

01641-21223

WASHER

SN: 10001-UP

2шт.

23

04050-13022

PIN,COTTER

SN: 10001-UP

2шт.

24

415-879-1270

COLLAR

SN: 10001-UP

2шт.

25

415-879-1250

PIN

SN: 10001-UP

1шт.

26

04025-01065

PIN,SPRING

SN: 10001-UP

2шт.

27

04205-11250

PIN

SN: 10001-UP

2шт.

28

01641-21223

WASHER

SN: 10001-UP

2шт.

29

04050-13022

PIN,COTTER

SN: 10001-UP

2шт.

30

415-879-1320

YOKE

SN: 10001-UP

2шт.

31

04205-11250

PIN

SN: 10001-UP

2шт.

32

01641-21223

WASHER

SN: 10001-UP

2шт.

33

04050-13022

PIN,COTTER

SN: 10001-UP

2шт.

34

415-879-1330

PIN

SN: 10001-UP

2шт.

35

04205-11250

PIN

SN: 10001-UP

2шт.

36

01641-21223

WASHER

SN: 10001-UP

2шт.

37

04050-13022

PIN,COTTER

SN: 10001-UP

2шт.

Выбрано товаров: 0