Запчасти Komatsu WA80-3-SW БЛОКИРОВКА И КРЫШКИ(ДЛЯ ПЕРЕДН. И ЗАДН. РАМА) ОСНОВНАЯ РАМА И ЕЕ ЧАСТИ

Схема запчастей Komatsu WA80-3-SW - БЛОКИРОВКА И КРЫШКИ(ДЛЯ ПЕРЕДН. И ЗАДН. РАМА) ОСНОВНАЯ РАМА И ЕЕ ЧАСТИ
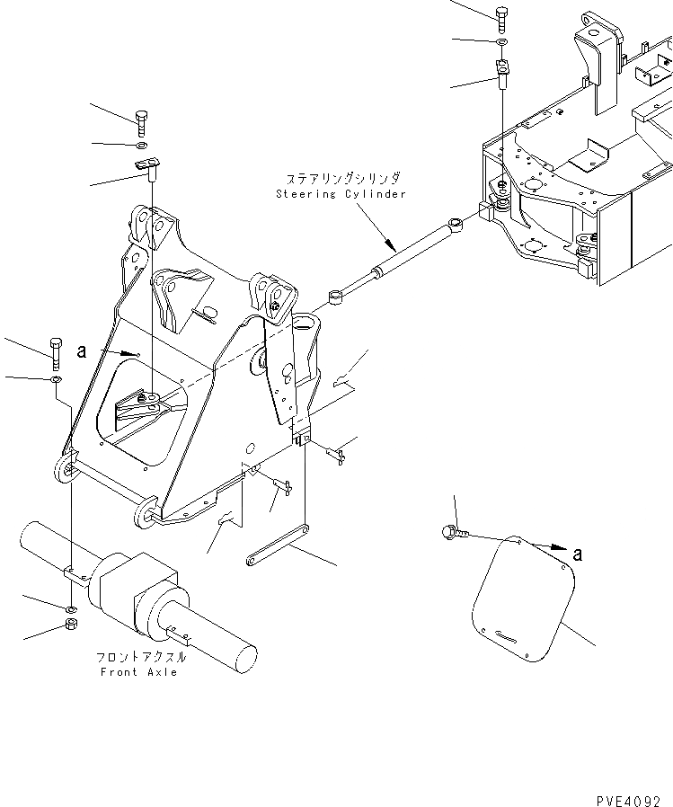
1
1
2
2
3
3
4
5
6
7
7
8
9
10
10
11
11
FIT
1:1
100%

Артикул

Название

Примечание

Количество

1

415-46-12160

PIN

SN: 10001-UP

4шт.

2

01010-81220

BOLT

SN: 10001-UP

4шт.

3

175-54-34170

WASHER

SN: 10001-UP

4шт.

4

417-46-11310

COVER

SN: 10001-UP

1шт.

5

01435-01220

BOLT

SN: 10001-UP

4шт.

6

01011-61660

BOLT

SN: 10001-UP

8шт.

7

01643-31645

WASHER

SN: 10001-UP

16шт.

8

01580-01613

NUT

SN: 10001-UP

8шт.

9

415-46-11291

BAR

SN: 10001-UP

1шт.

10

415-46-11351

PIN

SN: 10001-UP

2шт.

|10

04025-00540

PIN,SPRING

SN: 10001-UP

1шт.

11

415-46-11360

PIN,SNAP

SN: 10001-UP

2шт.

Выбрано товаров: 12