Запчасти Komatsu WA80-5 20 km DIFFERNTIAL EXCLUDER СИСТЕМА ЗАДН. МОСТ

Схема запчастей Komatsu WA80-5 20 km - DIFFERNTIAL EXCLUDER СИСТЕМА ЗАДН. МОСТ
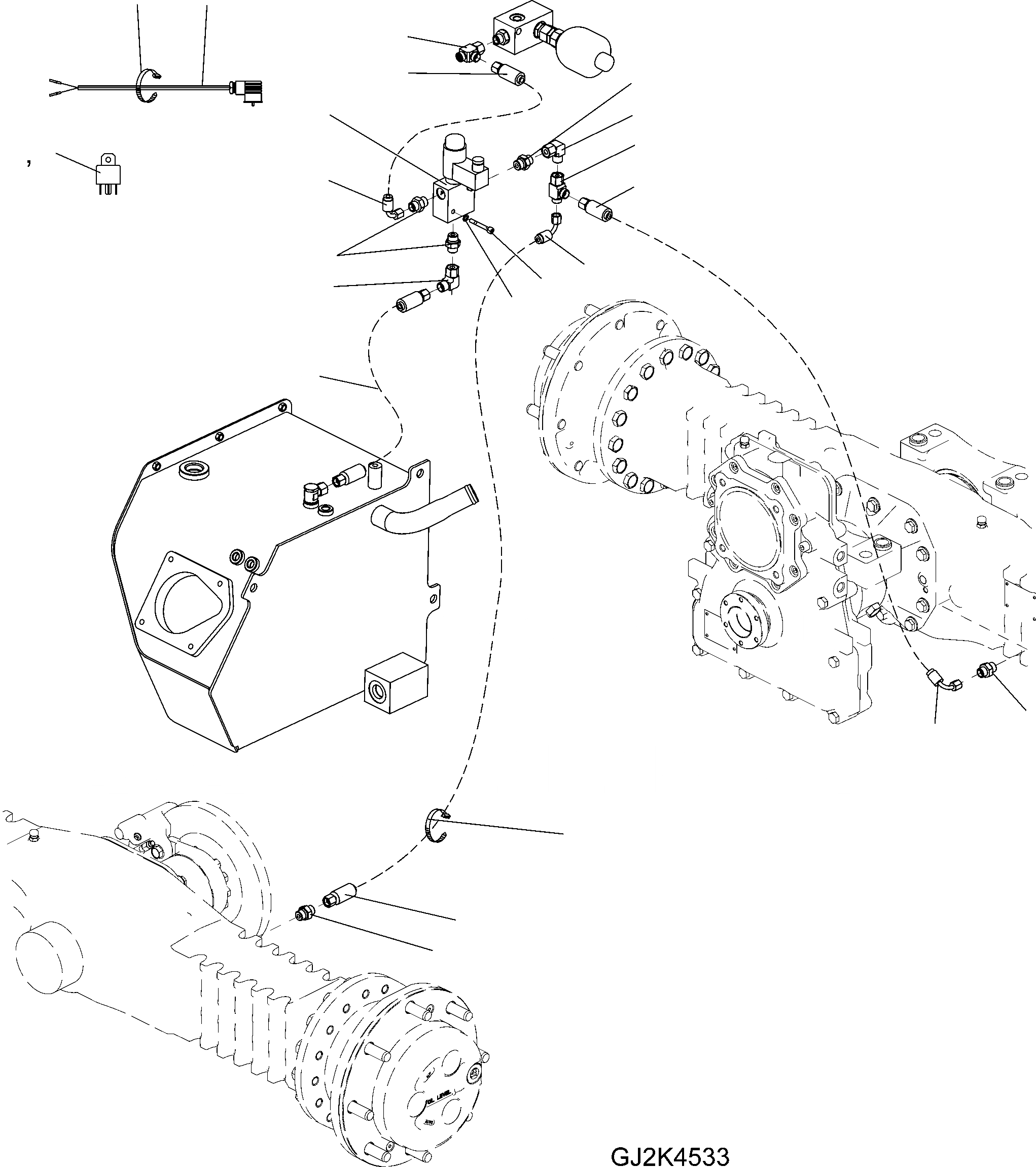
12
1
10
5
9
11
2
10
3
4
5
8
9
7
11
13
14
6
9
8
12
7
9
FIT
1:1
100%

Артикул

Название

Примечание

Количество

1

42U-06-22050

HARNESS

1шт.

2

42U-22-21131

VALVE

1шт.

3

42R-06-11280

RELAY

1шт.

4

42R-06-11290

RELAY

1шт.

5

42U-09-H4210

HOSE ASSEMBLY

1шт.

6

42T-09-H2840

HOSE ASSEMBLY

1шт.

7

42T-09-H2850

HOSE ASSEMBLY

1шт.

8

42U-09-H3740

HOSE ASSEMBLY

1шт.

9

42R-09-H0150

STUD

5шт.

10

421-00-H0480

UNION

2шт.

11

421-00-H0230

ELBOW

2шт.

12

08034-20834

BAND

8шт.

13

42Y-00-H3290

SCREW

2шт.

14

01642-20608

PLAIN WASHER

2шт.

Выбрано товаров: 14