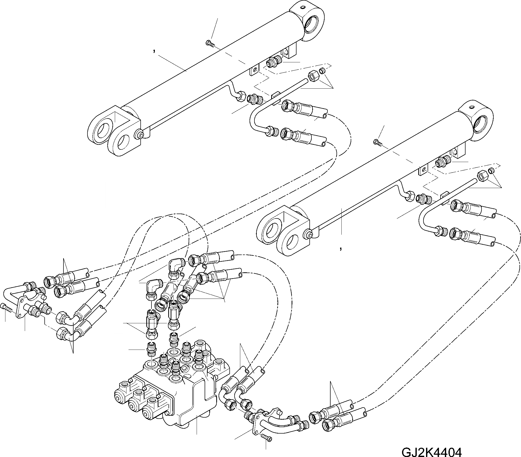
Запчасти Komatsu WA80-5 20 km ГИДРОЦИЛИНДР ПОДЪЕМА И ТРУБЫS ГИДРАВЛИКА

Схема запчастей Komatsu WA80-5 20 km - ГИДРОЦИЛИНДР ПОДЪЕМА И ТРУБЫS ГИДРАВЛИКА
5
2
1
3
4
3
5
13
3
4
3
13
2
1
13
9
10
8
7
12
10
11
7
10
13
11
6
12
FIT
1:1
100%

Артикул

Название

Примечание

Количество

1

42U-63-22180

LIFT CYLINDER

2шт.

2

42U-63-22190

LIFT CYLINDER

2шт.

3

421-00-H0420

STUD

4шт.

4

42W-63-22150

TUBE

2шт.

5

01024-80820

SCREW

2шт.

6

42U-64-23140

ACTUATER

1шт.

7

421-00-H0420

STUD

2шт.

8

421-00-H0440

UNION

2шт.

9

424-00-H0420

ELBOW

2шт.

10

42U-09-H3320

HOSE ASSEMBLY

4шт.

11

42U-62-23530

PIPE KIT

2шт.

12

01435-00820

SCREW

4шт.

13

42U-09-H3330

HOSE ASSEMBLY

4шт.

Выбрано товаров: 13