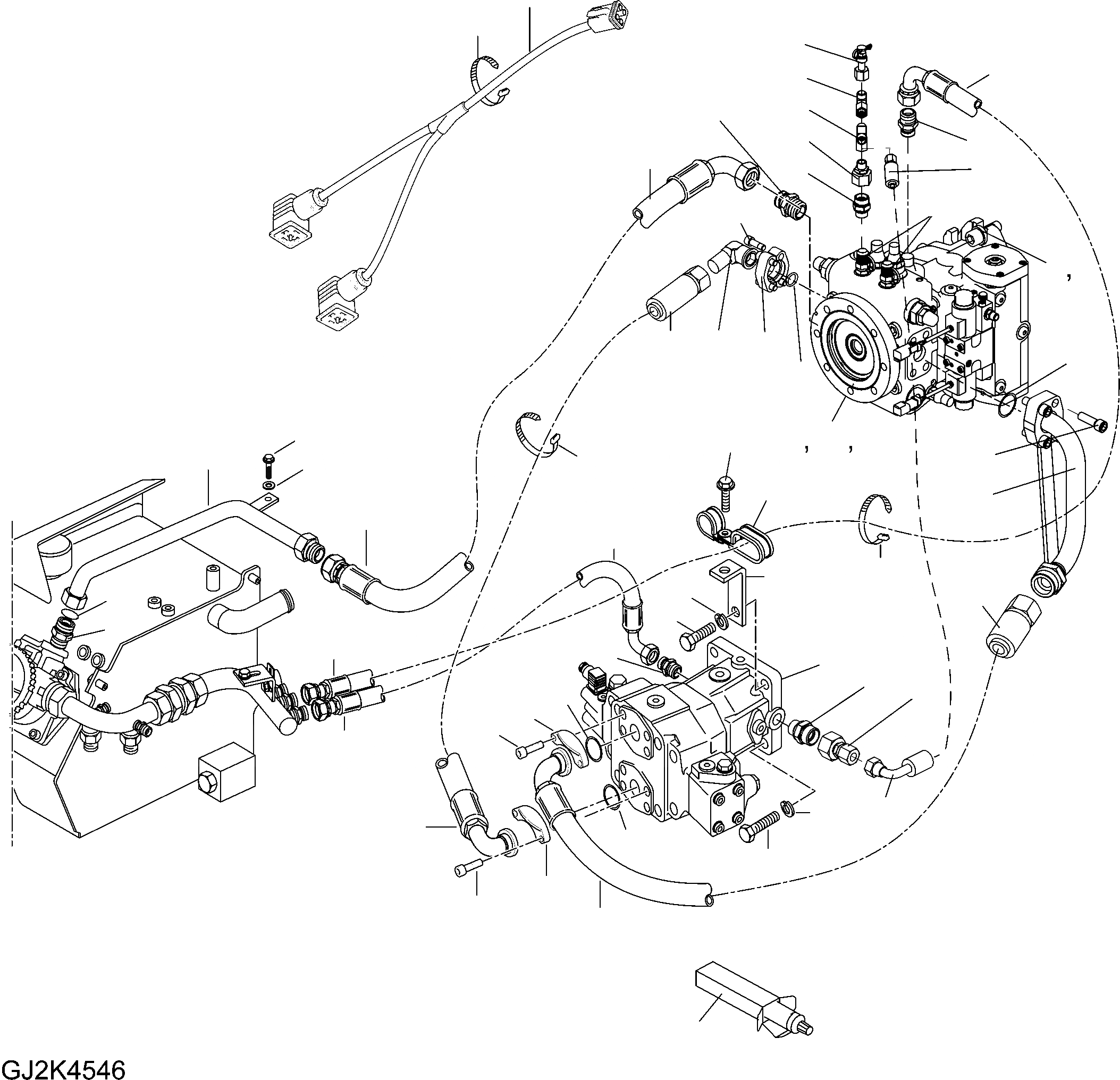
Запчасти Komatsu WA80-5 30 km ГИДР. НАСОС. ПРИВОД, ТРУБЫS ТРАНСМИССИЯ, КРЕСТОВИНА

Схема запчастей Komatsu WA80-5 30 km - ГИДР. НАСОС. ПРИВОД, ТРУБЫS ТРАНСМИССИЯ, КРЕСТОВИНА
39
6A
40
23
17
1A
31
1B
33
30
10
29
32
27
9
28
41
4
22
2
3
21
16
16
8
37
1
6
19
38
7
36
18
9
35
12
38
13
23
14
5
33
34
11
43
42
24
25
26
35
13
41
23
24
14
25
26
23
15
FIT
1:1
100%

Артикул

Название

Примечание

Количество

1

42U-17-21120

AXIAL PISTON PUMP

1шт.

1A

42U-17-21110

AXIAL PISTON PUMP

SN: H50051-H50642

1шт.

1B

42U-17-21160

AXIAL PISTON PUMP

SN: H50643-UP

1шт.

2

42U-09-H1270

PLAIN WASHER

2шт.

3

42S-00-H0200

SCREW

2шт.

4

42Y-00-H2790

CHECK PORT

2шт.

5

42U-09-H1210

STUD

1шт.

6

42U-18-21030

TUBE

1шт.

6A

42U-00-H0170

OLIVE

1шт.

7

01642-21016

PLAIN WASHER

1шт.

8

01010-81016

SCREW

1шт.

9

42U-18-21040

HOSE ASSEMBLY

1шт.

10

42R-09-H0100

STUD

1шт.

11

42U-17-22110

AXIAL PISTON ENGINE

1шт.

12

42U-17-22150

BRACKET

1шт.

13

42Y-00-H0530

SPRING WASHER

4шт.

14

01252-71655

SCREW

4шт.

15

42S-09-H0710

SEALER

1шт.

16

421-00-H0130

O-RING

2шт.

17

42U-09-H3790

FLANGE

1шт.

18

42U-62-24151

TUBE

1шт.

19

01252-71240

SCREW

4шт.

20

*

NOT USED

-1шт.

21

421-00-H0190

HALF FLANGE

2шт.

22

01252-71240

SCREW

4шт.

23

42U-09-H3860

HOSE ASSEMBLY

2шт.

24

421-00-H0130

O-RING

2шт.

25

42R-09-H1010

HALF FLANGE

4шт.

26

01252-71445

SCREW

8шт.

27

42R-09-H0620

REDUCER

1шт.

28

421-00-H0420

STUD

1шт.

29

42T-17-21170

TEE ASSEMBLY

1шт.

30

421-00-H1330

UNION

1шт.

31

42U-09-H0910

CHECK PORT

1шт.

32

421-00-H0170

STUD

1шт.

33

42U-09-H3480

HOSE ASSEMBLY

1шт.

34

421-00-H0170

STUD

1шт.

35

42U-09-H3480

HOSE ASSEMBLY

1шт.

36

421-07-11550

CLIP

1шт.

37

01010-81016

SCREW

1шт.

38

08034-20834

BAND

3шт.

39

42T-06-22190

HARNESS

1шт.

40

08034-20834

BAND

2шт.

41

42U-09-H4010

HOSE ASSEMBLY

1шт.

42

42U-09-H2400

REDUCER

1шт.

43

421-00-H0060

STUD

1шт.

Выбрано товаров: 46