Запчасти Komatsu WA80-5 30 km УПРАВЛЯЮЩ. КЛАПАН, EXECUTIONГИДРАВЛИКА

Схема запчастей Komatsu WA80-5 30 km - УПРАВЛЯЮЩ. КЛАПАН, EXECUTION  ГИДРАВЛИКА
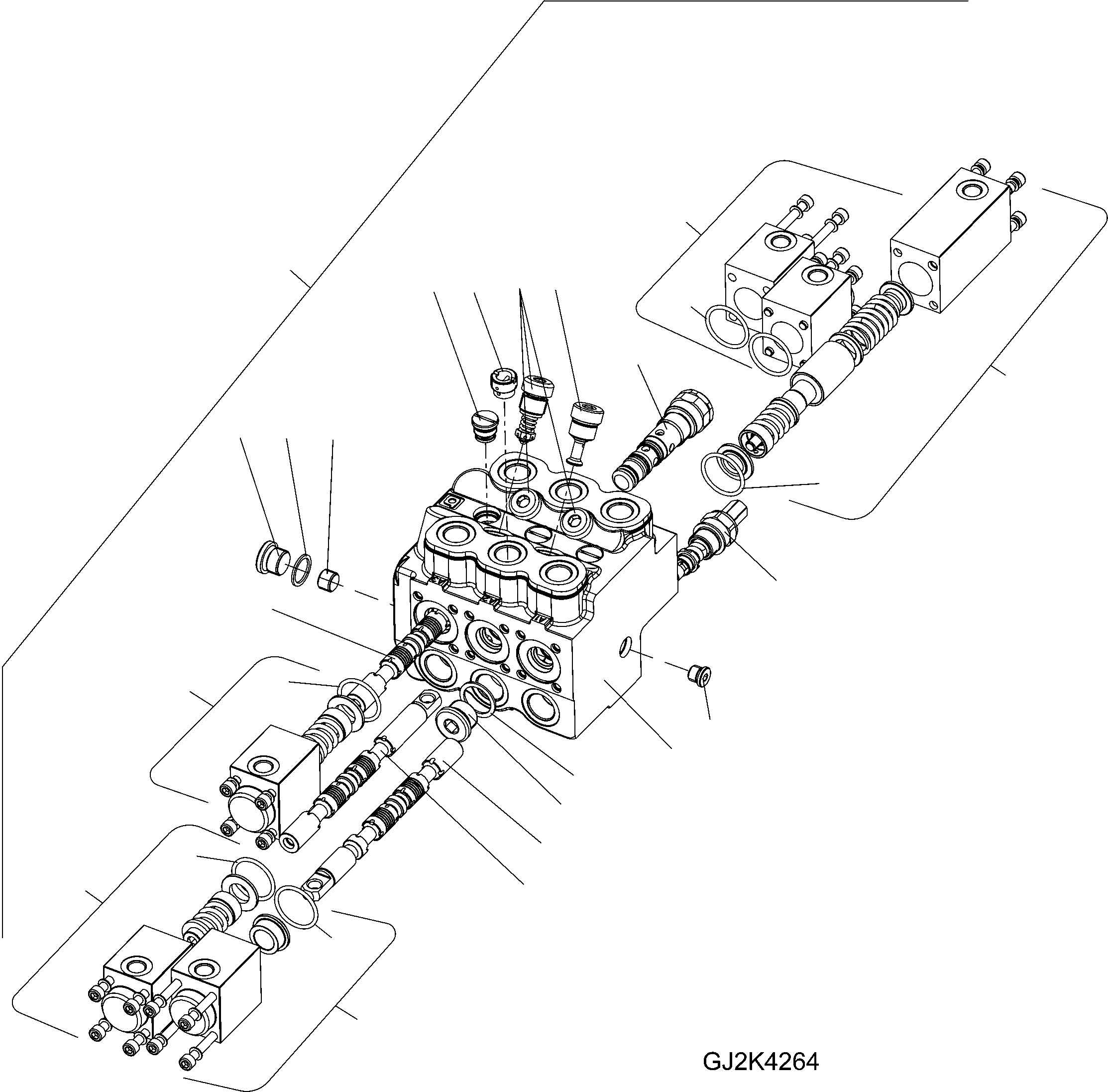
17
1
11
10
3
9
15
18
16
6
7
5
15
8
14
15
17
4
2
20
19
12
15
17
13
15
16
FIT
1:1
100%

Артикул

Название

Примечание

Количество

1

42U-64-23110

ACTUATER

1шт.

2

0

HOUSING

1шт.

3

42T-64-H0R41

CHECK VALVE

3шт.

4

42T-64-H0R42

PLUG

1шт.

5

42T-64-H0R43

SLEEVE

1шт.

6

42T-64-H0R44

RING

1шт.

7

42T-64-H0R45

PLUG

1шт.

8

42T-64-H0R63

PRESSURE LIMIT.VALVE

1шт.

9

42T-64-H0R12

VALVE

1шт.

10

42T-64-H0R13

VALVE

3шт.

11

42T-64-H0R14

SHOCK VALVE

1шт.

12

42T-64-H0R64

SPOOL

1шт.

13

42T-64-H0R07

SPOOL

1шт.

14

42T-64-H0R08

SPOOL

1шт.

15

42T-64-H0R65

O-RING

6шт.

16

42T-64-H0R66

POSITIONER

1шт.

17

42T-64-H0R67

POSITIONER

2шт.

18

42T-64-H0R11

VALVE

1шт.

19

42T-64-H0R10

PLUG

1шт.

20

42T-64-H0R09

DISC

1шт.

Выбрано товаров: 20