Запчасти Komatsu WA80-5 30 km ТОПЛИВН. СИСТЕМА, PRE ФИЛЬТР., EXECUTIONДВИГАТЕЛЬ, КРЕПЛЕНИЕ ДВИГАТЕЛЯ

Схема запчастей Komatsu WA80-5 30 km - ТОПЛИВН. СИСТЕМА, PRE ФИЛЬТР., EXECUTION  ДВИГАТЕЛЬ, КРЕПЛЕНИЕ ДВИГАТЕЛЯ
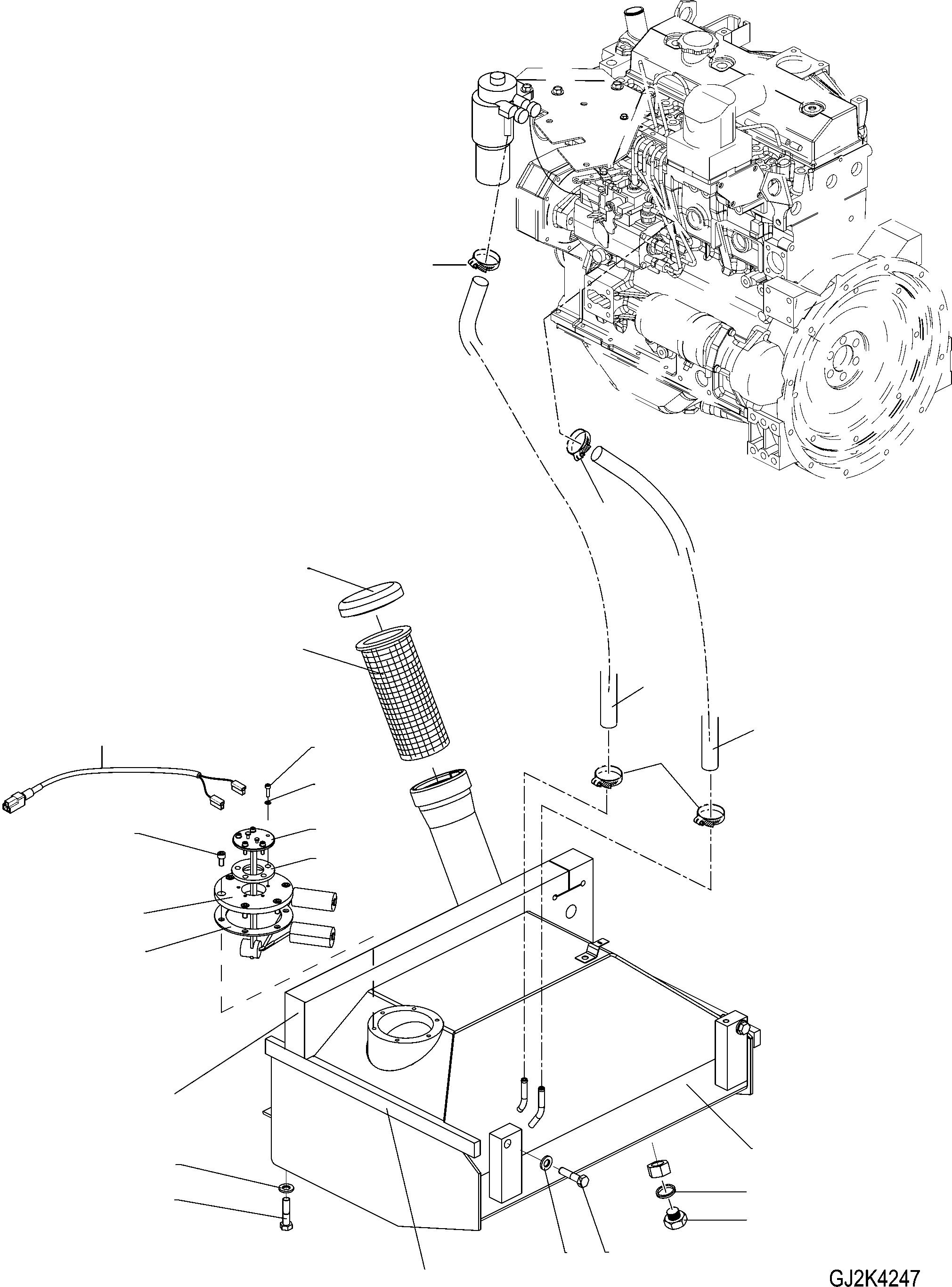
19
19
13
16
14
17
14
5
19
6
8
4
18
11
12
20
2
7
10
1
9
7
3
15
FIT
1:1
100%

Артикул

Название

Примечание

Количество

1

01016-51250

SCREW

2шт.

2

42U-04-21130

FUEL TANK

SN: H50051-H50156

1шт.

3

01016-51250

SCREW

2шт.

4

01252-60816

SCREW

6шт.

5

01252-70620

SCREW

5шт.

6

01641-20508

PLAIN WASHER

5шт.

7

01643-31232

PLAIN WASHER

4шт.

8

20T-06-31110

SENDER

1шт.

9

423-00-H0740

PLUG

1шт.

10

423-00-H0760

SEAL

1шт.

11

42T-04-22A10

COVER

1шт.

12

42T-04-22A20

GASKET

1шт.

13

42T-09-H1550

COVER

1шт.

14

07260-20971

HOSE

2шт.

15

42U-46-22B40

GASKET

2шт.

16

42T-04-22A50

STRAINER

1шт.

17

363-06-32190

CABLE

1шт.

18

42T-04-22290

GASKET

1шт.

19

07281-10137

CLIP

4шт.

20

42T-04-22A30

GASKET

1шт.

Выбрано товаров: 20