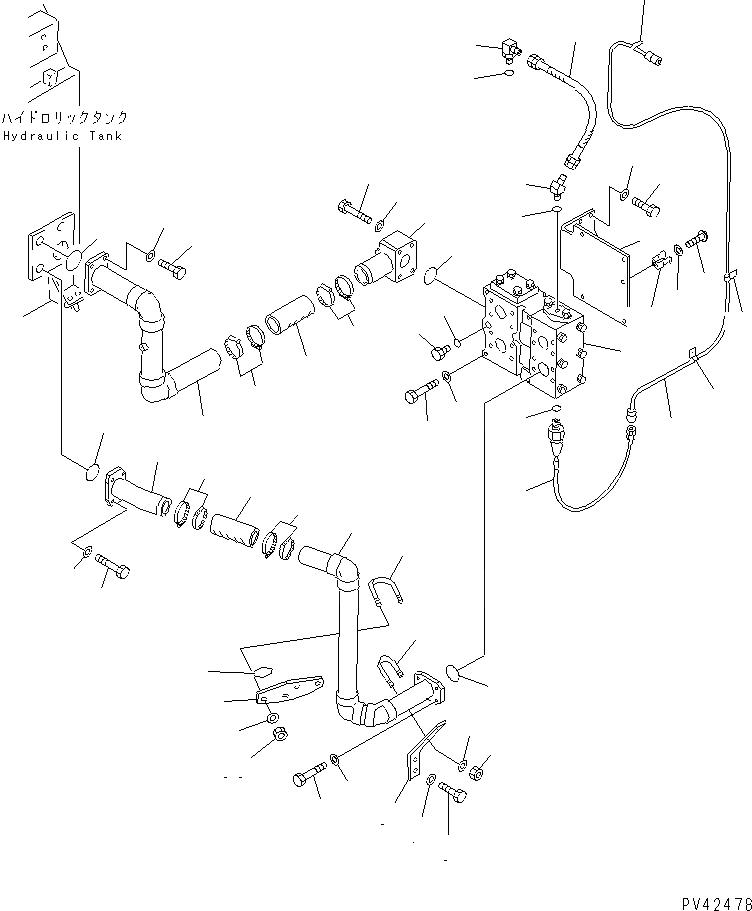
Запчасти Komatsu WA800-1-13 ГИДРОЛИНИЯ ЭКСТРЕННОГО УПРАВЛЕНИЯ (/) РУЛЕВ. УПРАВЛЕНИЕ И СИСТЕМА УПРАВЛЕНИЯ

Схема запчастей Komatsu WA800-1-13 - ГИДРОЛИНИЯ ЭКСТРЕННОГО УПРАВЛЕНИЯ (/) РУЛЕВ. УПРАВЛЕНИЕ И СИСТЕМА УПРАВЛЕНИЯ
1
2
3
4
5
6
7
8
9
10
11
12
12
13
14
15
16
17
18
19
20
21
22
23
24
25
26
27
28
29
30
31
32
33
34
35
35
36
37
38
39
40
41
42
43
44
45
46
47
48
49
49
49
50
51
FIT
1:1
100%

Артикул

Название

Примечание

Количество

1

427-87-15351

TUBE

SN: 10001-UP

1шт.

2

07000-F2060

O-RING

SN: 10054-UP

1шт.

|2

0

O-RING

SN: 10001-10053

1шт.

3

07372-21240

BOLT

SN: 10001-UP

4шт.

4

01643-51232

WASHER

SN: 10001-UP

4шт.

5

427-87-15431

PLATE

SN: 10052-UP

1шт.

|5

427-87-15430

PLATE

SN: 10001-10051

1шт.

6

01435-01020

BOLT

SN: 10501-UP

2шт.

|6

01010-51025

BOLT

SN: 10001-10499

2шт.

7

01643-31032

WASHER

SN: 10001-10499

2шт.

8

07283-36155

CLIP

SN: 10001-UP

1шт.

9

01643-31032

WASHER

SN: 10001-UP

2шт.

10

01597-01009

NUT

SN: 10001-UP

2шт.

11

07260-05818

HOSE

SN: 10001-UP

1шт.

12

07281-00909

CLAMP

SN: 10001-UP

4шт.

13

427-87-15260

TUBE

SN: 10001-UP

1шт.

14

07000-F3048

O-RING

SN: 10054-UP

1шт.

|14

0

O-RING

SN: 10001-10053

1шт.

15

01435-01280

BOLT

SN: 10501-UP

4шт.

|15

01010-51280

BOLT

SN: 10001-10499

4шт.

16

01643-31232

WASHER

SN: 10001-10499

4шт.

17

427-87-15151

BRACKET

SN: 10052-UP

1шт.

|17

427-87-15150

BRACKET

SN: 10001-10051

1шт.

18

01010-81230

BOLT

SN: 10001-UP

4шт.

19

01643-31232

WASHER

SN: 10001-UP

4шт.

20

426-875-1100

VALVE ASS'Y,(SEE FIG.4811)

SN: 10001-UP

1шт.

21

07040-12012

PLUG

SN: 10001-UP

1шт.

22

07002-22034

O-RING

SN: 10054-UP

1шт.

|22

0

O-RING

SN: 10001-10053

1шт.

23

01011-81025

BOLT

SN: 10001-UP

4шт.

24

01643-31032

WASHER

SN: 10001-UP

4шт.

25

427-87-15341

TUBE

SN: 10001-UP

1шт.

26

07000-F3048

O-RING

SN: 10054-UP

1шт.

|26

0

O-RING

SN: 10001-10053

1шт.

27

07372-21245

BOLT

SN: 10001-UP

4шт.

28

01643-51232

WASHER

SN: 10001-UP

4шт.

29

427-87-15331

PLATE

SN: 10001-UP

1шт.

30

07283-34957

CLIP

SN: 10001-UP

2шт.

31

07283-54959

SEAT

SN: 10001-UP

2шт.

32

01643-31032

WASHER

SN: 10001-UP

4шт.

33

01597-01009

NUT

SN: 10001-UP

4шт.

34

07260-24722

HOSE

SN: 10001-UP

1шт.

35

07281-00709

CLAMP

SN: 10001-UP

4шт.

36

427-87-15230

TUBE

SN: 10001-UP

1шт.

37

07000-F3048

O-RING

SN: 10054-UP

1шт.

|37

0

O-RING

SN: 10001-10053

1шт.

38

07372-21245

BOLT

SN: 10001-UP

4шт.

39

01643-51232

WASHER

SN: 10001-UP

4шт.

40

07236-10210

ELBOW

SN: 10001-UP

1шт.

41

07002-21423

O-RING

SN: 10054-UP

1шт.

|41

0

O-RING

SN: 10001-10053

1шт.

42

07096-00203

HOSE

SN: 10001-UP

1шт.

43

07235-10210

ELBOW

SN: 10001-UP

1шт.

44

07002-21423

O-RING

SN: 10054-UP

1шт.

|44

0

O-RING

SN: 10001-10053

1шт.

45

427-87-15313

WIRE ASS'Y

SN: 10598-UP

1шт.

|45

427-87-15312

WIRE ASS'Y

SN: 10001-10597

1шт.

46

08052-01711

CLIP

SN: 10001-UP

1шт.

47

01220-40608

SCREW

SN: 10001-UP

1шт.

48

01641-20608

WASHER

SN: 10001-UP

1шт.

49

423-35-12240

CLIP

SN: 10001-UP

3шт.

50

421-06-11982

SWITCH,LIMIT DIVIDER VALVE

SN: 10580-UP

1шт.

|50

0

SWITCH,LIMIT DIVIDER VALVE

SN: 10001-10579

1шт.

|50

0

SWITCH,LIMIT DIVIDER VALVE

SN: (10001-10049)

1шт.

51

07002-22034

O-RING

SN: 10054-UP

1шт.

|51

0

O-RING

SN: 10001-10053

1шт.

Выбрано товаров: 66