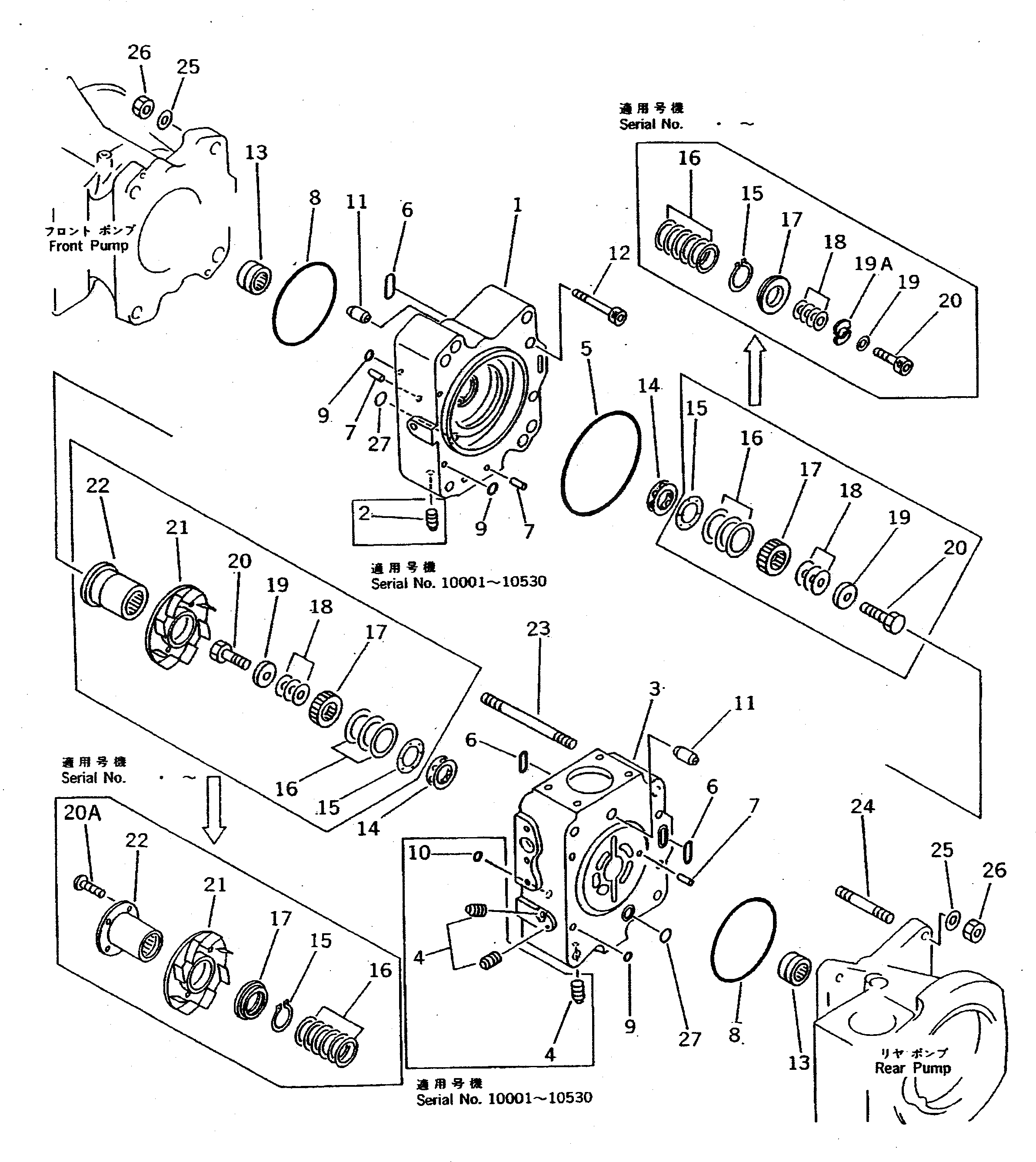
Запчасти Komatsu WA800-1-13 ПЕРЕКЛЮЧАТЕЛЬ НАСОС (/) УПРАВЛ-Е РАБОЧИМ ОБОРУДОВАНИЕМ

Схема запчастей Komatsu WA800-1-13 - ПЕРЕКЛЮЧАТЕЛЬ НАСОС (/) УПРАВЛ-Е РАБОЧИМ ОБОРУДОВАНИЕМ
FIT
1:1
100%

Артикул

Название

Примечание

Количество

|1

708-45-10204

PUMP ASS'Y

SN: 10001-UP

1шт.

|1

0

PUMP ASS'Y

SN: (10056-10530)

1шт.

|1

0

PUMP ASS'Y

SN: (10049-10055)

1шт.

|1

0

PUMP ASS'Y

SN: (.-10048)

1шт.

|1

0

PUMP ASS'Y

SN: (10001-.)

1шт.

|$$6

THESE ASSEMBLIES CONSIST OF ALL PARTS SHOWN IN FIGS.6031 TO 6034.

-1шт.

|1

708-45-11204

PUMP SUB ASS'Y

SN: 10001-UP

1шт.

|1

0

PUMP SUB ASS'Y

SN: (10056-10530)

1шт.

|1

0

PUMP SUB ASS'Y

SN: (10049-10055)

1шт.

|1

0

PUMP SUB ASS'Y

SN: (.-10048)

1шт.

|1

0

PUMP SUB ASS'Y

SN: (10001-.)

1шт.

|$$12

THESE ASSEMBLIES CONSIST OF ALL PARTS SHOWN IN FIGS.6032 TO 6034.

-1шт.

|1

0

CAP,END

SN: .-UP

1шт.

|1

0

END CAP ASS'Y,FRONT

SN: (10056-10530)

1шт.

|1

0

END CAP ASS'Y,FRONT

SN: (.-10055)

1шт.

|1

0

END CAP ASS'Y,FRONT

SN: 10001-.

1шт.

1

0

CAP,END¤ FRONT

SN: 10056-10530

1шт.

|1

0

CAP,END¤ FRONT

SN: .-10055

1шт.

|1

0

CAP,END¤ FRONT

SN: 10001-.

1шт.

2

0

PLUG

SN: .-10530

1шт.

|2

0

PLUG

SN: 10001-.

1шт.

|3

0

CAP,END

SN: .-UP

1шт.

|3

0

END CAP ASS'Y,REAR

SN: (10056-10530)

1шт.

|3

0

END CAP ASS'Y,REAR

SN: (.-10055)

1шт.

|3

0

END CAP ASS'Y,REAR

SN: 10001-.

1шт.

3

0

CAP,END¤ REAR

SN: 10056-10530

1шт.

|3

0

CAP,END¤ REAR

SN: .-10055

1шт.

|3

0

CAP,END¤ REAR

SN: 10001-.

1шт.

4

0

PLUG

SN: .-10530

3шт.

|4

0

PLUG

SN: 10001-.

3шт.

5

0

O-RING

SN: 10001-UP

1шт.

|5

0

O-RING

SN: (10001-10048)

1шт.

6

0

O-RING

SN: 10001-UP

3шт.

|6

0

O-RING

SN: (10001-10048)

3шт.

7

0

PIN

SN: 10001-UP

3шт.

8

0

O-RING

SN: 10001-UP

2шт.

|8

0

O-RING

SN: (10001-10048)

2шт.

9

0

O-RING

SN: 10531-UP

3шт.

|9

0

O-RING

SN: 10001-10530

6шт.

|9

0

O-RING

SN: (10001-10048)

6шт.

10

0

O-RING

SN: 10001-10530

1шт.

|10

0

O-RING

SN: (10001-10048)

1шт.

11

0

PIN,DOWEL

SN: 10001-UP

2шт.

12

0

BOLT

SN: 10001-UP

6шт.

13

0

BEARING

SN: 10001-UP

2шт.

|13

0

BEARING

SN: (10001-10055)

2шт.

14

0

BEARING

SN: 10001-UP

2шт.

15

0

RING

SN: .-UP

2шт.

|15

0

SPACER

SN: 10001-.

2шт.

16

0

WASHER KIT

SN: .-UP

2шт.

|16

0

WASHER¤ 2.25MM

SN: .-UP

1шт.

|16

0

WASHER¤ 2.55MM

SN: .-UP

1шт.

|16

0

WASHER¤ 2.85MM

SN: .-UP

1шт.

|16

0

WASHER¤ 3.15MM

SN: .-UP

1шт.

|16

0

WASHER¤ 3.45MM

SN: .-UP

1шт.

|16

0

WASHER¤ 3.75MM

SN: .-UP

1шт.

|16

0

SPACER KIT

SN: (10001-.)

2шт.

|16

0

SPACER¤ 0.1MM

SN: 10001-.

4шт.

|16

0

SPACER¤ 0.2MM

SN: 10001-.

4шт.

|16

0

SPACER¤ 0.5MM

SN: 10001-.

3шт.

17

0

RETAINER

SN: .-UP

2шт.

|17

0

BOSS

SN: 10001-.

2шт.

18

0

SHIM KIT

SN: .-UP

1шт.

|18

0

SHIM KIT

SN: 10001-.

2шт.

|18

0

SHIM¤ 0.1MM

SN: 10001-UP

1шт.

|18

0

SHIM¤ 0.15MM

SN: 10001-UP

1шт.

|18

0

SHIM¤ 0.2MM

SN: .-UP

2шт.

|18

0

SHIM¤ 0.2MM

SN: 10001-.

1шт.

|18

0

SHIM¤ 0.5MM

SN: .-UP

4шт.

|18

0

SHIM¤ 0.5MM

SN: 10001-.

3шт.

19

0

WASHER

SN: .-UP

1шт.

|19

0

PLATE

SN: 10001-.

2шт.

19A

0

PLATE

SN: .-UP

2шт.

20

0

BOLT

SN: .-UP

1шт.

|20

0

BOLT

SN: 10001-.

2шт.

20A

0

SCREW

SN: .-UP

4шт.

21

0

IMPELLER

SN: .-UP

1шт.

|21

0

IMPELLER

SN: 10001-.

1шт.

22

0

COUPLING

SN: .-UP

1шт.

|22

0

COUPLING

SN: 10001-.

1шт.

23

0

STUD

SN: 10001-UP

4шт.

|23

0

STUD

SN: (10001-.)

4шт.

24

0

STUD

SN: 10001-UP

4шт.

|24

0

STUD

SN: (10001-.)

4шт.

25

0

WASHER

SN: 10001-UP

8шт.

26

0

NUT

SN: 10001-UP

8шт.

27

0

O-RING

SN: .-UP

2шт.

Выбрано товаров: 87