Запчасти Komatsu WA800-1-A ГИДРОЛИНИЯ (ИЗ БАКА В НАСОС /) УПРАВЛ-Е РАБОЧИМ ОБОРУДОВАНИЕМ

Схема запчастей Komatsu WA800-1-A - ГИДРОЛИНИЯ (ИЗ БАКА В НАСОС /) УПРАВЛ-Е РАБОЧИМ ОБОРУДОВАНИЕМ
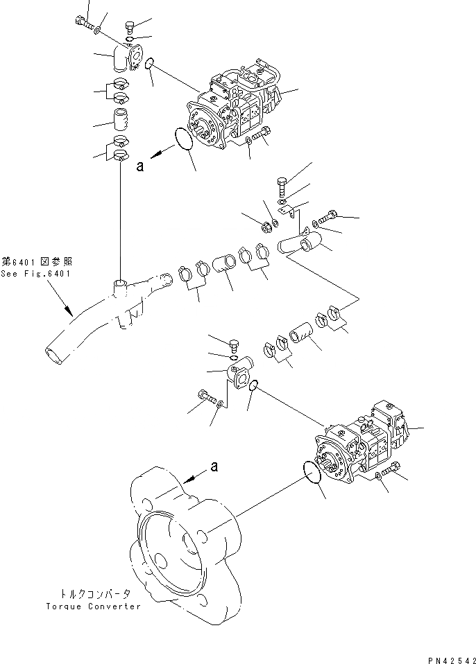
1
2
2
3
4
5
6
7
8
9
10
11
12
13
14
14
15
15
15
15
16
17
18
19
20
21
22
23
24
25
26
27
28
28
29
30
31
FIT
1:1
100%

Артикул

Название

Примечание

Количество

1

07260-28718

HOSE

SN: 10001-UP

1шт.

2

07281-01159

CLAMP

SN: 10001-UP

4шт.

3

427-62-14160

TUBE

SN: 10001-UP

1шт.

4

07040-11812

PLUG

SN: 10001-UP

1шт.

5

07002-21823

O-RING

SN: 10054-UP

1шт.

|5

0

O-RING

SN: 10001-10053

1шт.

6

07000-F2080

O-RING

SN: 10054-UP

1шт.

|6

0

O-RING

SN: 10001-10053

1шт.

7

01435-01235

BOLT

SN: 10501-UP

4шт.

|7

0

BOLT

SN: 10001-10499

4шт.

8

01643-31232

WASHER

SN: 10001-10499

4шт.

9

708-25-02044

PUMP ASS'Y,LOADER (SEE FIG.6001)

SN: 10001-UP

1шт.

|9

0

PUMP ASS'Y,LOADER (SEE FIG.6001)

SN: (10056-10530)

1шт.

|9

0

PUMP ASS'Y,LOADER (SEE FIG.6001)

SN: (10049-10055)

1шт.

|9

0

PUMP ASS'Y,LOADER (SEE FIG.6001)

SN: (10001-10048)

1шт.

10

07000-F5230

O-RING

SN: 10001-UP

1шт.

11

01010-81650

BOLT

SN: 10001-UP

4шт.

12

01643-31645

WASHER

SN: 10001-UP

4шт.

13

427-62-14460

TUBE

SN: 10001-UP

1шт.

14

07260-28718

HOSE

SN: 10001-UP

2шт.

15

07281-01159

CLAMP

SN: 10001-UP

8шт.

16

427-62-14190

TUBE

SN: 10001-UP

1шт.

17

07040-11812

PLUG

SN: 10001-UP

1шт.

18

07002-21823

O-RING

SN: 10054-UP

1шт.

|18

0

O-RING

SN: 10001-10053

1шт.

19

07000-32080

O-RING

SN: 10054-UP

1шт.

|19

0

O-RING

SN: 10001-10053

1шт.

20

01435-01235

BOLT

SN: 10501-UP

4шт.

|20

0

BOLT

SN: 10001-10499

4шт.

21

01643-31232

WASHER

SN: 10001-10499

4шт.

22

708-45-10204

PUMP ASS'Y,SWITCH (SEE FIG.6031)

SN: 10001-UP

1шт.

|22

0

PUMP ASS'Y,SWITCH (SEE FIG.6031)

SN: (10056-10530)

1шт.

|22

0

PUMP ASS'Y,SWITCH (SEE FIG.6031)

SN: (10049-10055)

1шт.

|22

0

PUMP ASS'Y,SWITCH (SEE FIG.6031)

SN: (10001-10048)

1шт.

23

07000-F5230

O-RING

SN: 10001-UP

1шт.

24

01010-81650

BOLT

SN: 10001-UP

4шт.

25

01643-31645

WASHER

SN: 10001-UP

4шт.

26

427-62-14230

BRACKET

SN: 10001-UP

1шт.

27

01435-01230

BOLT

SN: 10501-UP

2шт.

|27

0

BOLT

SN: 10001-10499

2шт.

28

01643-31232

WASHER

SN: 10001-10499

6шт.

29

01584-01210

NUT

SN: 10001-UP

2шт.

30

01435-01225

BOLT

SN: 10501-UP

2шт.

|30

0

BOLT

SN: 10001-10499

2шт.

31

01643-31232

WASHER

SN: 10001-10499

2шт.

Выбрано товаров: 0