Запчасти Komatsu WA800-1 ПОЛ СУППОРТ(№-99) РАМА И ЧАСТИ КОРПУСА

Схема запчастей Komatsu WA800-1 - ПОЛ СУППОРТ(№-99) РАМА И ЧАСТИ КОРПУСА
FIT
1:1
100%

Артикул

Название

Примечание

Количество

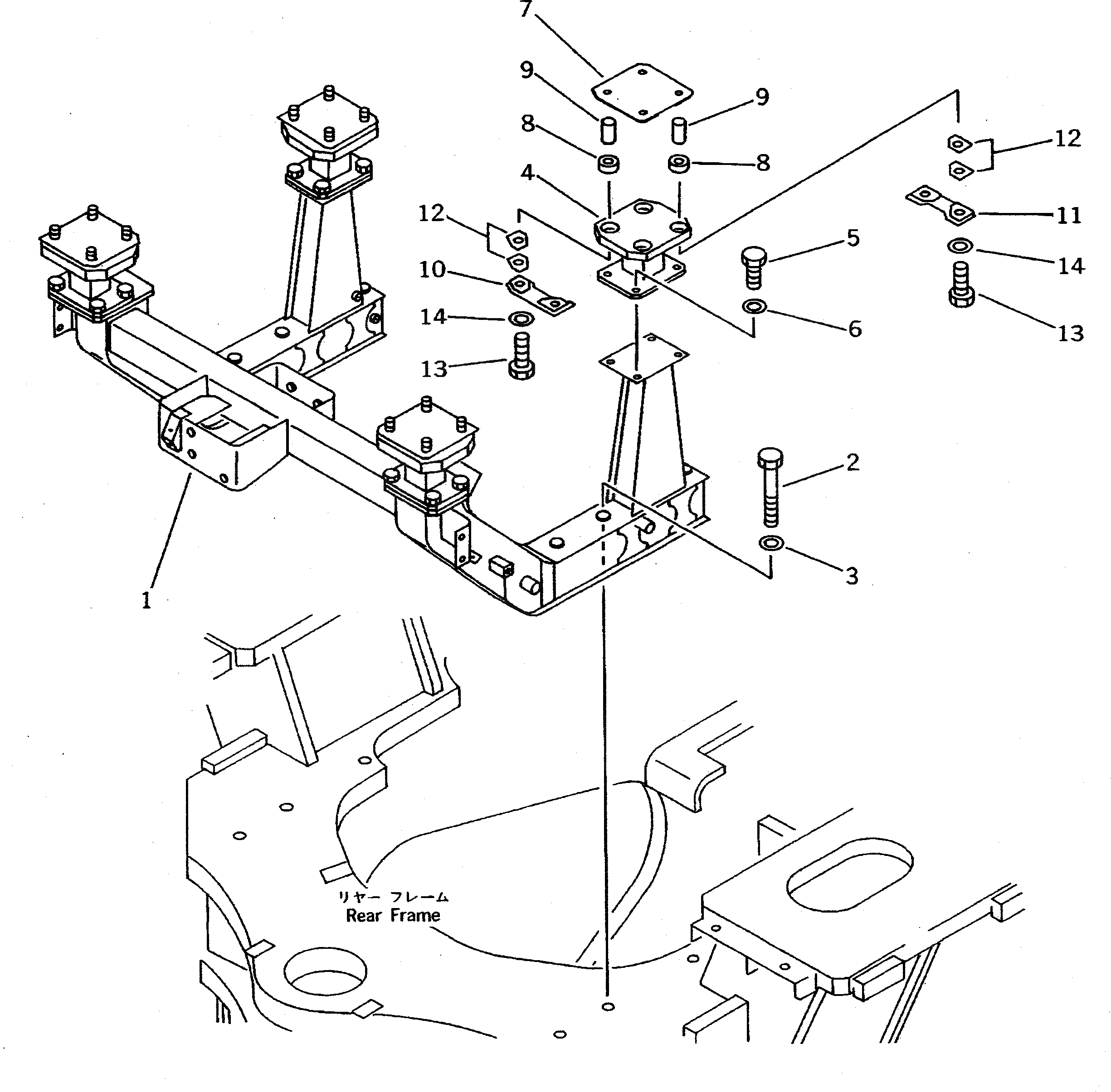
1

427-54-12251

SUPPORT

SN: 10001-10499

1шт.

2

01011-51670

BOLT

SN: 10001-@

6шт.

3

01643-31645

WASHER

SN: 10001-@

6шт.

4

427-54-12240

BRACKET

SN: 10001-10499

4шт.

5

01010-51440

BOLT

SN: 10001-10499

16шт.

6

01643-31445

WASHER

SN: 10001-10499

16шт.

|$6

426-54-13250

CUSHION ASS'Y

SN: 10001-10499

4шт.

7

424-54-13230

CUSHION

SN: 10001-10499

1шт.

8

424-54-13320

CUSHION

SN: 10001-10499

4шт.

9

424-54-13250

SPACER

SN: 10001-10499

4шт.

10

426-54-13231

CUSHION,INSIDE

SN: 10001-10499

1шт.

11

426-54-13241

CUSHION,OUTSIDE

SN: 10001-10499

1шт.

12

426-54-13261

SHIM, 0.5MM

SN: 10001-10499

40шт.

12

426-54-13271

SHIM, 0.8MM

SN: 10001-10499

40шт.

13

01010-51485

BOLT

SN: 10001-10499

16шт.

14

01643-31445

WASHER

SN: 10001-10499

16шт.

Выбрано товаров: 16