Запчасти Komatsu WA800-1 ПОГРУЗ. НАСОС (/) УПРАВЛ-Е РАБОЧИМ ОБОРУДОВАНИЕМ

Схема запчастей Komatsu WA800-1 - ПОГРУЗ. НАСОС (/) УПРАВЛ-Е РАБОЧИМ ОБОРУДОВАНИЕМ
FIT
1:1
100%

Артикул

Название

Примечание

Количество

|$0

708-25-02044

PUMP ASS'Y

SN: 10001-UP

1шт.

|$1

0

PUMP ASS'Y

SN: (10056-10530)

1шт.

|$2

0

PUMP ASS'Y

SN: (10049-10055)

1шт.

|$3

0

PUMP ASS'Y

SN: (...-10048)

1шт.

|$4

0

PUMP ASS'Y

SN: (..-...)

1шт.

|$5

0

PUMP ASS'Y

SN: (.-..)

1шт.

|$6

0

PUMP ASS'Y

SN: (10001-.)

1шт.

|$$8

THESE ASSEMBLIES CONSIST OF ALL PARTS SHOWN IN FIGS.6001 TO 6011.

-1шт.

|$8

704-24-28203

PUMP ASS'Y

SN: 10049-UP

1шт.

|$9

0

PUMP ASS'Y

SN: ..-10048

1шт.

|$$11

(704-24-28203,708-25-19180)

-1шт.

|$11

0

PUMP ASS'Y

SN: .-..

1шт.

|$$13

(704-24-28203,708-25-19180)

-1шт.

|$13

\4\704-24-28200

PUMP ASS'Y

SN: 10001-.

1шт.

|$$15

(704-24-28203,708-25-19180)

-1шт.

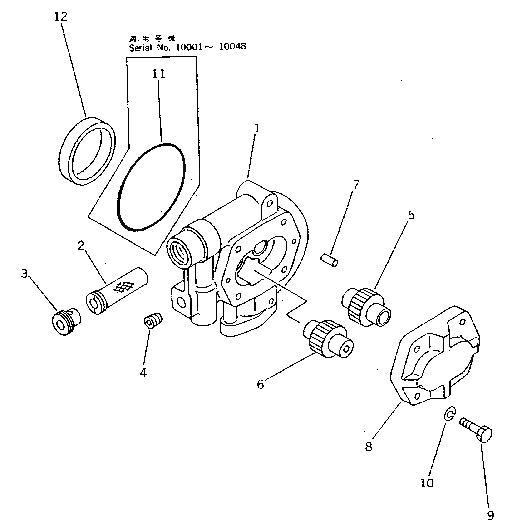
1

0

BODY

SN: 10001-UP

1шт.

2

704-28-02751

STRAINER

SN: 10001-UP

1шт.

2

0

STRAINER

SN: (10001-.)

1шт.

3

704-28-02760

SCREW

SN: 10001-UP

1шт.

4

07043-50312

PLUG

SN: 10001-UP

1шт.

5

0

GEAR,DRIVE

SN: 10001-UP

1шт.

6

0

GEAR,DRIVEN

SN: 10001-UP

1шт.

7

0

PIN,DOWEL

SN: 10001-UP

2шт.

8

0

HOUSING

SN: 10001-UP

1шт.

9

0

BOLT

SN: 10001-UP

4шт.

10

0

WASHER,SPRING

SN: 10001-UP

4шт.

11

704-28-19180

O-RING,(SEE FIG. 6001)

SN: 10001-UP

1шт.

11

0

O-RING

SN: (10001-10048)

1шт.

12

704-28-02771

COLLAR

SN: .-UP

1шт.

12

0

COLLAR

SN: 10001-.

1шт.

Выбрано товаров: 30