Запчасти Komatsu WA800-1 ПЕРЕДН. РАМА(№-99) РАМА И ЧАСТИ КОРПУСА

Схема запчастей Komatsu WA800-1 - ПЕРЕДН. РАМА(№-99) РАМА И ЧАСТИ КОРПУСА
FIT
1:1
100%

Артикул

Название

Примечание

Количество

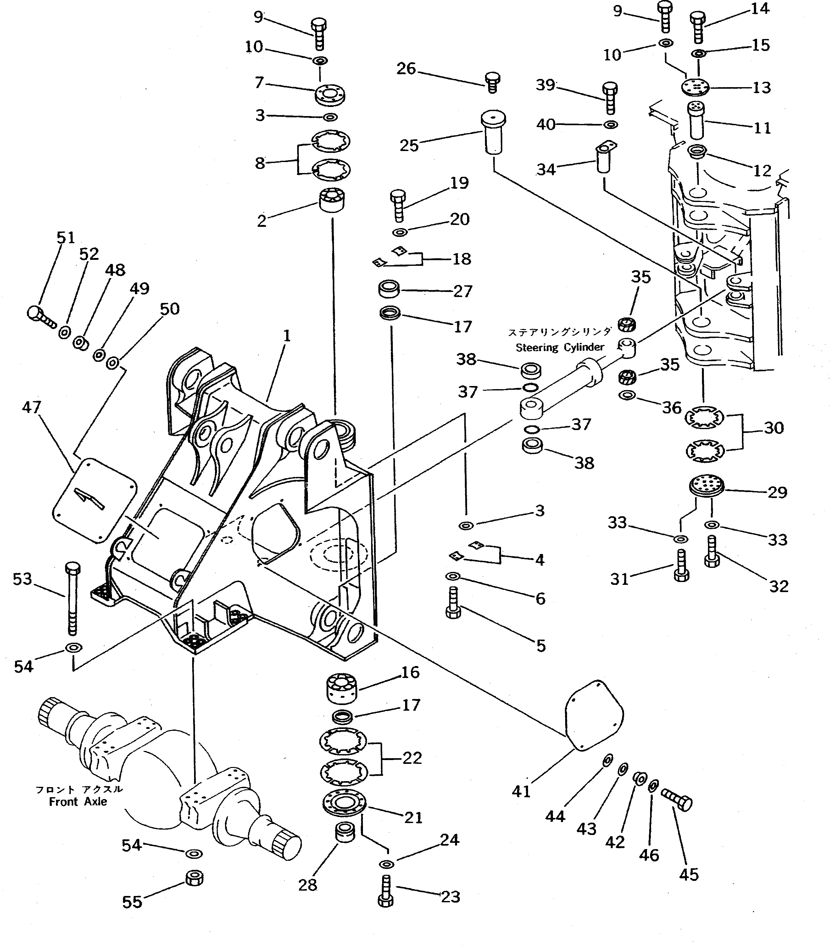
1

427-46-11118

FRAME,FRONT

SN: 10052-10499

1шт.

|1

427-46-11117

FRAME,FRONT

SN: 10001-10051

1шт.

|1

427-T88-1150

FRAME,FRONT (FOR LOAD AND CARRY)

SN: 10001-@

1шт.

2

427-46-11130

BEARING

SN: 10001-@

1шт.

3

427-46-11140

SEAL,DUST

SN: 10001-@

2шт.

4

427-46-11150

PLATE

SN: 10001-@

2шт.

5

01010-31025

BOLT

SN: 10001-@

4шт.

6

01643-31032

WASHER

SN: 10001-@

4шт.

7

427-46-11120

RETAINER

SN: 10001-@

1шт.

8

427-46-11170

SHIM¤ 0.1MM

SN: 10001-@

15шт.

|8

427-46-11180

SHIM¤ 0.5MM

SN: 10001-@

18шт.

9

01010-32070

BOLT

SN: 10001-@

12шт.

10

01643-32060

WASHER

SN: 10001-@

12шт.

11

427-46-11161

SHAFT

SN: 10001-@

1шт.

12

427-46-11440

BUSHING

SN: 10001-@

1шт.

13

427-46-11190

RETAINER

SN: 10001-@

1шт.

14

01010-32065

BOLT

SN: 10001-@

4шт.

15

01643-32060

WASHER

SN: 10001-@

4шт.

16

427-46-11350

BEARING

SN: 10001-@

1шт.

17

427-46-11340

SEAL,DUST

SN: 10001-@

2шт.

18

427-46-11330

PLATE

SN: 10001-@

2шт.

19

01010-31025

BOLT

SN: 10001-@

4шт.

20

01643-31032

WASHER

SN: 10001-@

4шт.

21

427-46-11380

RETAINER

SN: 10001-@

1шт.

22

427-46-11360

SHIM¤ 0.1MM

SN: 10001-@

20шт.

|22

427-46-11370

SHIM¤ 0.5MM

SN: 10001-@

32шт.

23

01010-32485

BOLT

SN: 10001-@

10шт.

24

01643-32460

WASHER

SN: 10001-@

10шт.

25

427-46-11310

SHAFT

SN: 10001-@

1шт.

26

01010-32450

BOLT

SN: 10001-@

1шт.

27

427-46-11320

BUSHING

SN: 10001-@

1шт.

28

427-46-11390

BUSHING

SN: 10001-@

1шт.

29

427-46-11430

CAP

SN: 10001-@

1шт.

30

427-46-11410

SHIM¤ 0.1MM

SN: 10001-@

20шт.

|30

427-46-11420

SHIM¤ 0.5MM

SN: 10001-@

24шт.

31

01010-32480

BOLT

SN: 10001-@

10шт.

32

01011-32420

BOLT

SN: 10001-@

4шт.

33

01643-32460

WASHER

SN: 10001-@

14шт.

34

427-46-12240

PIN

SN: 10001-10499

4шт.

35

421-09-11320

SEAL,DUST

SN: 10001-@

8шт.

36

421-70-11331

SHIM¤ 1.0MM

SN: 10001-@

16шт.

37

07000-02110

O-RING

SN: 10001-@

4шт.

38

427-46-12250

SPACER

SN: 10001-@

4шт.

39

01010-51630

BOLT

SN: 10001-10499

4шт.

40

421-70-11280

WASHER

SN: 10001-@

4шт.

41

427-46-11512

PLATE

SN: 10001-@

2шт.

42

415-46-11370

SPACER

SN: 10001-@

8шт.

43

415-46-11380

CUSHION

SN: 10001-@

8шт.

44

01640-22440

WASHER

SN: 10001-@

8шт.

|44

0

WASHER

SN: (10001-.)

8шт.

45

01435-01250

BOLT

SN: 10501-@

8шт.

|45

0

BOLT

SN: 10001-10499

8шт.

46

01643-31232

WASHER

SN: 10001-10499

8шт.

47

427-46-11521

COVER

SN: 10001-@

1шт.

48

427-54-11860

SPACER

SN: 10001-@

4шт.

|48

0

SPACER

SN: (10001-.)

4шт.

49

415-46-11380

CUSHION

SN: 10001-@

4шт.

50

01640-22232

WASHER

SN: 10001-@

4шт.

51

01010-51255

BOLT

SN: 10001-10499

4шт.

52

01643-31232

WASHER

SN: 10001-10499

4шт.

53

427-46-11451

BOLT

SN: 10001-@

16шт.

54

01643-33990

WASHER

SN: 10001-@

32шт.

55

01580-03931

NUT

SN: 10001-@

16шт.

Выбрано товаров: 63