Запчасти Komatsu WA800-1 ЗАДН. РАМА(№-99) РАМА И ЧАСТИ КОРПУСА

Схема запчастей Komatsu WA800-1 - ЗАДН. РАМА(№-99) РАМА И ЧАСТИ КОРПУСА
FIT
1:1
100%

Артикул

Название

Примечание

Количество

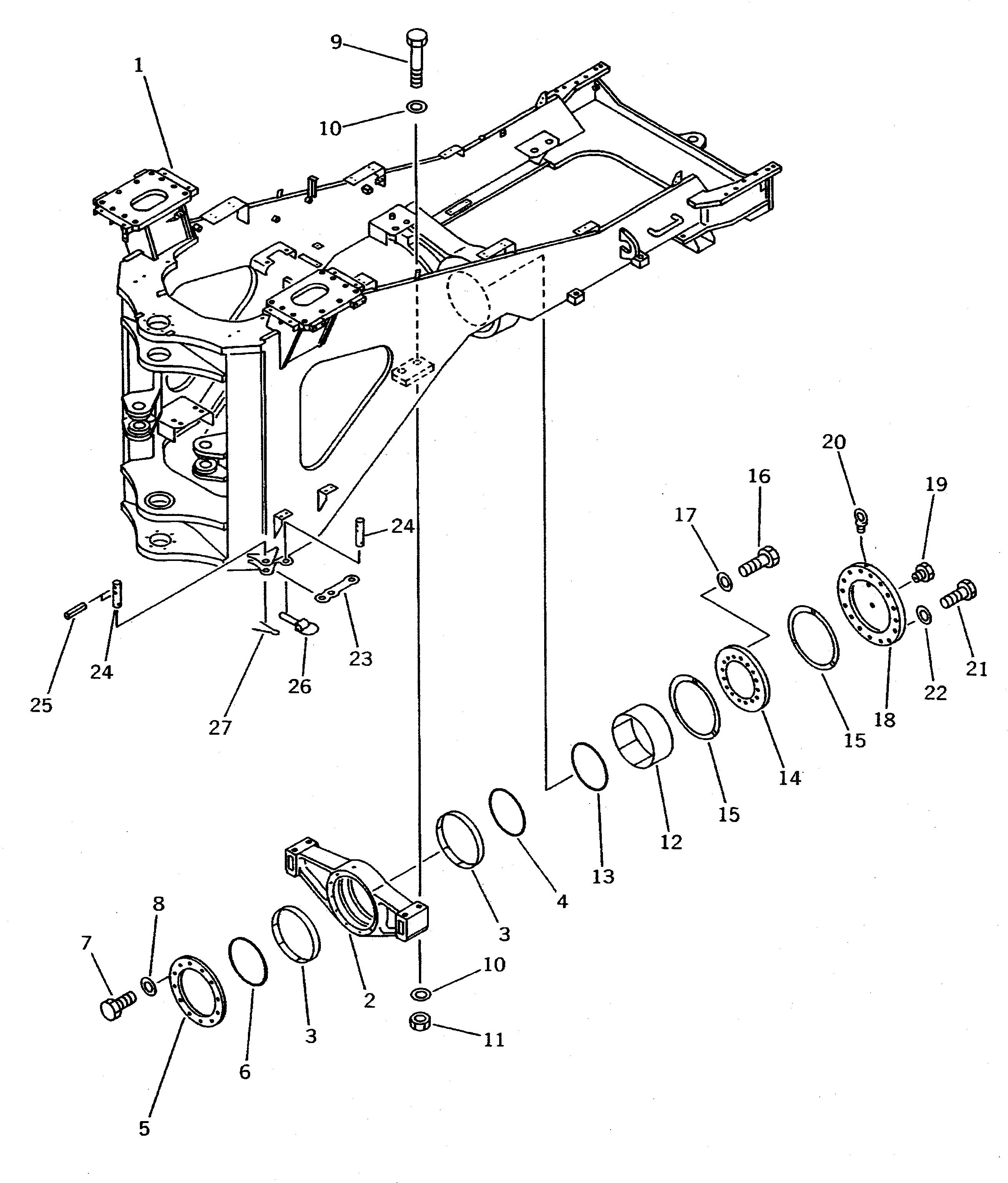
1

427-46-12118

FRAME,REAR

SN: 10052-10499

1шт.

|1

427-46-12117

FRAME,REAR

SN: 10046-10051

1шт.

|1

0

FRAME,REAR

SN: 10040-10045

1шт.

|1

0

FRAME,REAR

SN: 10001-10039

1шт.

|$$5

(427-46-12115{427-54-13120(2)¤}

-1шт.

|$$6

01010-51245(4))

-1шт.

|1

427-T88-1140

FRAME,REAR (FOR LOAD AND CARRY)

SN: 10001-@

1шт.

2

427-46-12122

SUPPORT,FRONT

SN: 10001-@

1шт.

|2

0

SUPPORT,FRONT

SN: (10001-10499)

1шт.

3

427-46-12260

BUSHING

SN: 10001-@

2шт.

4

427-46-12311

PACKING

SN: 10001-@

1шт.

|4

0

O-RING

SN: (10001-10051)

1шт.

5

427-46-12270

RETAINER

SN: 10001-@

1шт.

6

427-46-12281

PACKING

SN: 10001-@

1шт.

|6

0

O-RING

SN: (10001-10051)

1шт.

7

01010-51450

BOLT

SN: 10001-@

12шт.

8

01643-31445

WASHER

SN: 10001-@

12шт.

9

427-46-12130

BOLT

SN: 10001-@

4шт.

10

01643-33990

WASHER

SN: 10001-@

8шт.

11

01580-03931

NUT

SN: 10001-@

4шт.

12

427-46-12320

BUSHING

SN: 10001-@

1шт.

13

427-46-12311

PACKING

SN: 10001-@

1шт.

|13

0

O-RING

SN: (10001-10051)

1шт.

14

427-46-12170

PLATE,THRUST

SN: 10001-@

1шт.

15

427-46-12161

WASHER,THRUST

SN: 10501-@

2шт.

|15

0

WASHER,THRUST

SN: 10001-10499

2шт.

16

01011-52420

BOLT

SN: 10001-@

16шт.

17

01643-32460

WASHER

SN: 10001-@

16шт.

18

427-46-12180

COVER,THRUST

SN: 10001-@

1шт.

19

07029-00000

VALVE,RELIEF

SN: 10001-@

1шт.

20

04530-11018

BOLT,EYE

SN: 10001-@

1шт.

21

01011-52400

BOLT

SN: 10001-@

16шт.

22

01643-32460

WASHER

SN: 10001-@

16шт.

23

427-46-12211

PLATE

SN: 10001-@

1шт.

24

427-46-12221

PIN

SN: 10048-@

2шт.

|24

0

PIN

SN: 10001-10047

2шт.

25

04025-01080

PIN,SPRING

SN: 10048-@

2шт.

|25

04025-01280

PIN,SPRING

SN: 10001-10047

2шт.

26

426-46-12280

PIN,SPRING

SN: 10001-@

1шт.

27

04050-10070

PIN,COTTER

SN: 10001-@

1шт.

Выбрано товаров: 40