Запчасти Komatsu WA800-1 ЭЛЕКТРИКА (КОНСОЛЬН. БЛОК¤ ЛЕВ.)(№-99) КОМПОНЕНТЫ ДВИГАТЕЛЯ И ЭЛЕКТРИКА

Схема запчастей Komatsu WA800-1 - ЭЛЕКТРИКА (КОНСОЛЬН. БЛОК¤ ЛЕВ.)(№-99) КОМПОНЕНТЫ ДВИГАТЕЛЯ И ЭЛЕКТРИКА
FIT
1:1
100%

Артикул

Название

Примечание

Количество

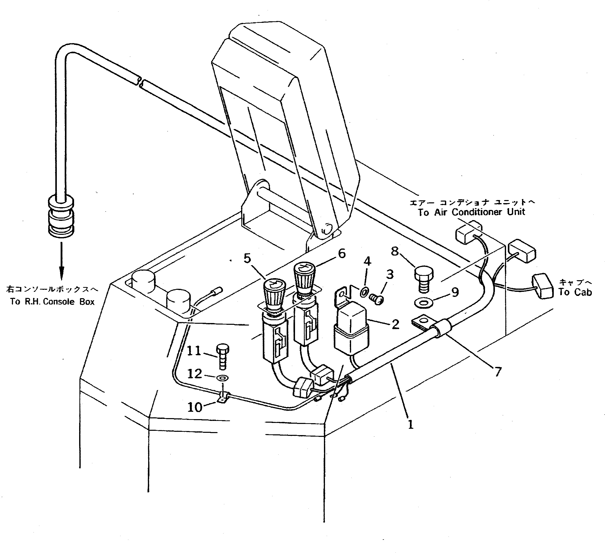
1

427-963-1342

WIRE ASS'Y

SN: 10060-10499

1шт.

|1

427-963-1341

WIRE ASS'Y

SN: 10020-10059

1шт.

|1

427-06-12431

WIRE ASS'Y

SN: 10001-10019

1шт.

2

421-06-11940

RELAY,AIR CONDITIONER

SN: 10001-10049

1шт.

3

01220-40608

SCREW

SN: 10001-10049

1шт.

4

01641-20608

WASHER

SN: 10001-10049

1шт.

5

421-06-16141

SWITCH,WIPER¤ FRONT

SN: 10001-10049

1шт.

6

421-06-16150

SWITCH,WIPER¤ REAR

SN: 10001-@

1шт.

7

08036-01414

CLIP

SN: 10001-@

4шт.

8

01435-01016

BOLT

SN: 10501-@

4шт.

|8

0

BOLT

SN: 10001-10499

4шт.

9

01643-31032

WASHER

SN: 10001-10499

4шт.

10

08036-10814

CLIP

SN: 10001-@

1шт.

11

01435-01016

BOLT

SN: 10501-@

1шт.

|11

0

BOLT

SN: 10001-10499

1шт.

12

01643-31032

WASHER

SN: 10001-10499

1шт.

Выбрано товаров: 16