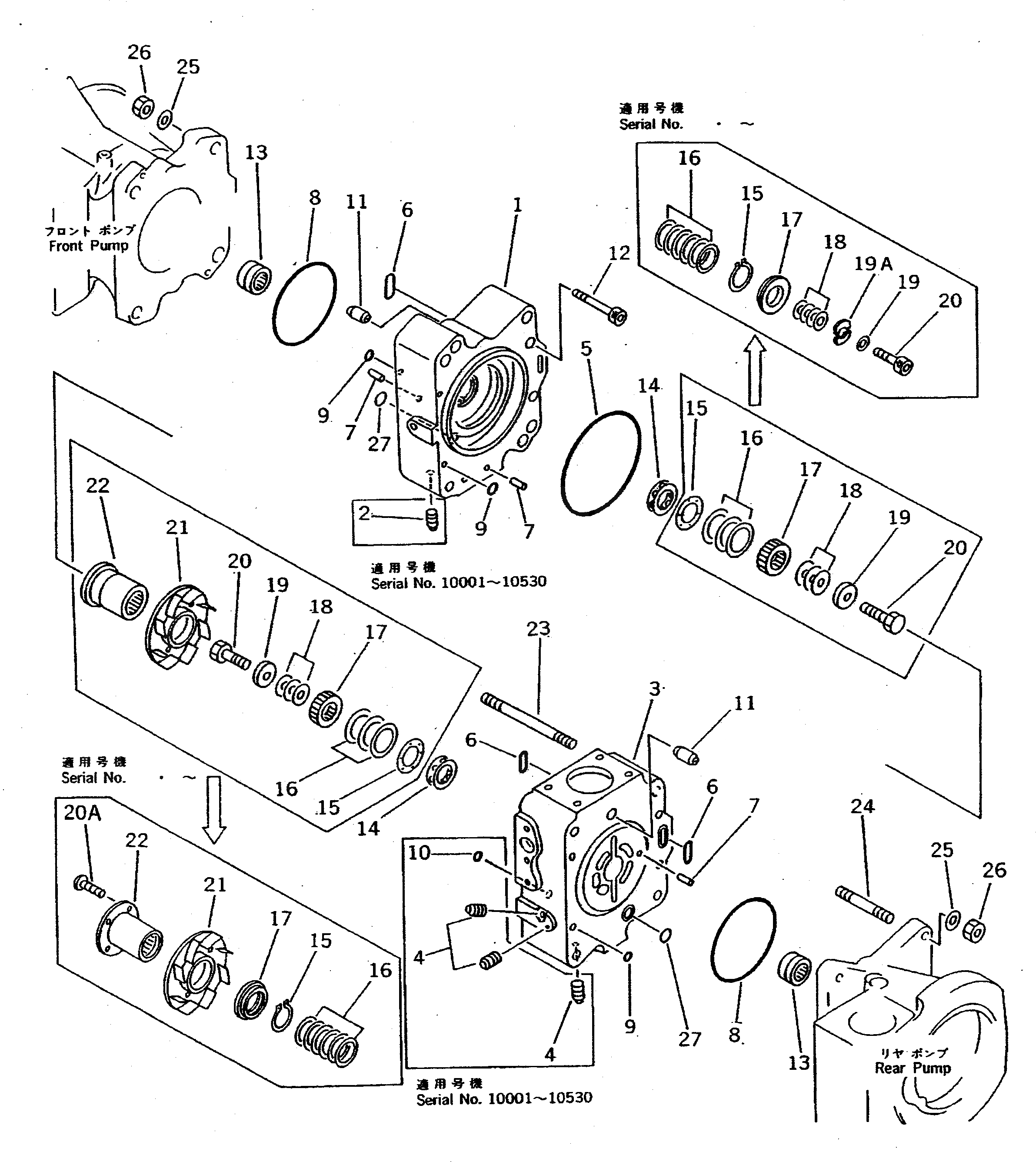
Запчасти Komatsu WA800-2 НАСОС РУЛЕВ. УПРАВЛ-Я (/) УПРАВЛ-Е РАБОЧИМ ОБОРУДОВАНИЕМ

Схема запчастей Komatsu WA800-2 - НАСОС РУЛЕВ. УПРАВЛ-Я (/) УПРАВЛ-Е РАБОЧИМ ОБОРУДОВАНИЕМ
FIT
1:1
100%

Артикул

Название

Примечание

Количество

|$0

708-45-10104

PUMP ASS'Y

SN: 10001-UP

1шт.

|$1

0

PUMP ASS'Y

SN: (10056-10530)

1шт.

|$2

0

PUMP ASS'Y

SN: (10049-10055)

1шт.

|$3

0

PUMP ASS'Y

SN: (.-10048)

1шт.

|$4

0

PUMP ASS'Y

SN: (10001-.)

1шт.

|$$6

THESE ASSEMBLIES CONSIST OF ALL PARTS SHOWN IN FIGS.6021 TO 6024.

-1шт.

|$6

708-45-11104

PUMP SUB ASS'Y

SN: 10001-UP

1шт.

|$7

0

PUMP SUB ASS'Y

SN: (10056-10530)

1шт.

|$8

0

PUMP SUB ASS'Y

SN: (10049-10055)

1шт.

|$9

0

PUMP SUB ASS'Y

SN: (.-10048)

1шт.

|$10

0

PUMP SUB ASS'Y

SN: (10001-.)

1шт.

|$$12

THESE ASSEMBLIES CONSIST OF ALL PARTS SHOWN IN FIGS.6022 TO 6024.

-1шт.

|$12

0

CAP,END

SN: .-UP

1шт.

|$13

0

END CAP ASS'Y,FRONT

SN: (10056-10530)

1шт.

|$14

0

END CAP ASS'Y,FRONT

SN: (.-10055)

1шт.

|$15

0

END CAP ASS'Y,FRONT

SN: 10001-.

1шт.

1

0

CAP,END, FRONT

SN: 10056-10530

1шт.

1

0

CAP,END, FRONT

SN: .-10055

1шт.

1

0

CAP,END, FRONT

SN: 10001-.

1шт.

2

0

PLUG

SN: .-10530

1шт.

2

0

PLUG

SN: 10001-.

1шт.

|$21

0

CAP,END

SN: .-UP

1шт.

|$22

0

END CAP ASS'Y,REAR

SN: (10056-10530)

1шт.

|$23

0

END CAP ASS'Y,REAR

SN: (.-10055)

1шт.

|$24

0

END CAP ASS'Y,REAR

SN: 10001-.

1шт.

3

0

CAP,END, REAR

SN: 10056-10530

1шт.

3

0

CAP,END, REAR

SN: .-10055

1шт.

3

0

CAP,END, REAR

SN: 10001-.

1шт.

4

0

PLUG

SN: .-10530

3шт.

4

0

PLUG

SN: 10001-.

3шт.

5

0

O-RING

SN: 10001-UP

1шт.

5

0

O-RING

SN: (10001-10048)

1шт.

6

0

O-RING

SN: 10001-UP

3шт.

6

0

O-RING

SN: (10001-10048)

3шт.

7

0

PIN

SN: 10001-UP

3шт.

8

0

O-RING

SN: 10001-UP

2шт.

8

0

O-RING

SN: (10001-10048)

2шт.

9

0

O-RING

SN: 10531-UP

3шт.

9

0

O-RING

SN: 10001-10530

6шт.

9

0

O-RING

SN: (10001-10048)

6шт.

10

0

O-RING

SN: 10001-10530

1шт.

10

0

O-RING

SN: (10001-10048)

1шт.

11

0

PIN,DOWEL

SN: 10001-UP

2шт.

12

0

BOLT

SN: 10001-UP

6шт.

13

0

BEARING

SN: 10001-UP

2шт.

13

0

BEARING

SN: (10001-10055)

2шт.

14

0

BEARING

SN: 10001-UP

2шт.

15

0

RING

SN: .-UP

2шт.

15

0

SPACER

SN: 10001-.

2шт.

16

0

WASHER KIT

SN: .-UP

2шт.

16

0

WASHER, 2.25MM

SN: .-UP

1шт.

16

0

WASHER, 2.55MM

SN: .-UP

1шт.

16

0

WASHER, 2.85MM

SN: .-UP

1шт.

16

0

WASHER, 3.15MM

SN: .-UP

1шт.

16

0

WASHER, 3.45MM

SN: .-UP

1шт.

16

0

WASHER, 3.75MM

SN: .-UP

1шт.

16

0

SPACER KIT

SN: (10001-.)

2шт.

16

0

SPACER, 0.1MM

SN: 10001-.

4шт.

16

0

SPACER, 0.2MM

SN: 10001-.

4шт.

16

0

SPACER, 0.5MM

SN: 10001-.

3шт.

17

0

RETAINER

SN: .-UP

2шт.

17

0

BOSS

SN: 10001-.

2шт.

18

0

SHIM KIT

SN: .-UP

1шт.

18

0

SHIM KIT

SN: 10001-.

2шт.

18

0

SHIM, 0.1MM

SN: 10001-UP

1шт.

18

0

SHIM, 0.15MM

SN: 10001-UP

1шт.

18

0

SHIM, 0.2MM

SN: .-UP

2шт.

18

0

SHIM, 0.2MM

SN: 10001-.

1шт.

18

0

SHIM, 0.5MM

SN: .-UP

4шт.

18

0

SHIM, 0.5MM

SN: 10001-.

3шт.

19

0

WASHER

SN: .-UP

1шт.

19

0

PLATE

SN: 10001-.

2шт.

19A

0

PLATE

SN: .-UP

2шт.

20

0

BOLT

SN: .-UP

1шт.

20

0

BOLT

SN: 10001-.

2шт.

20A

0

SCREW

SN: .-UP

4шт.

21

0

IMPELLER

SN: .-UP

1шт.

21

0

IMPELLER

SN: 10001-.

1шт.

22

0

COUPLING

SN: .-UP

1шт.

22

0

COUPLING

SN: 10001-.

1шт.

23

0

STUD

SN: 10001-UP

4шт.

23

0

STUD

SN: (10001-.)

4шт.

24

0

STUD

SN: 10001-UP

4шт.

24

0

STUD

SN: (10001-.)

4шт.

25

0

WASHER

SN: 10001-UP

8шт.

26

0

NUT

SN: 10001-UP

8шт.

27

0

O-RING

SN: .-UP

2шт.

Выбрано товаров: 87