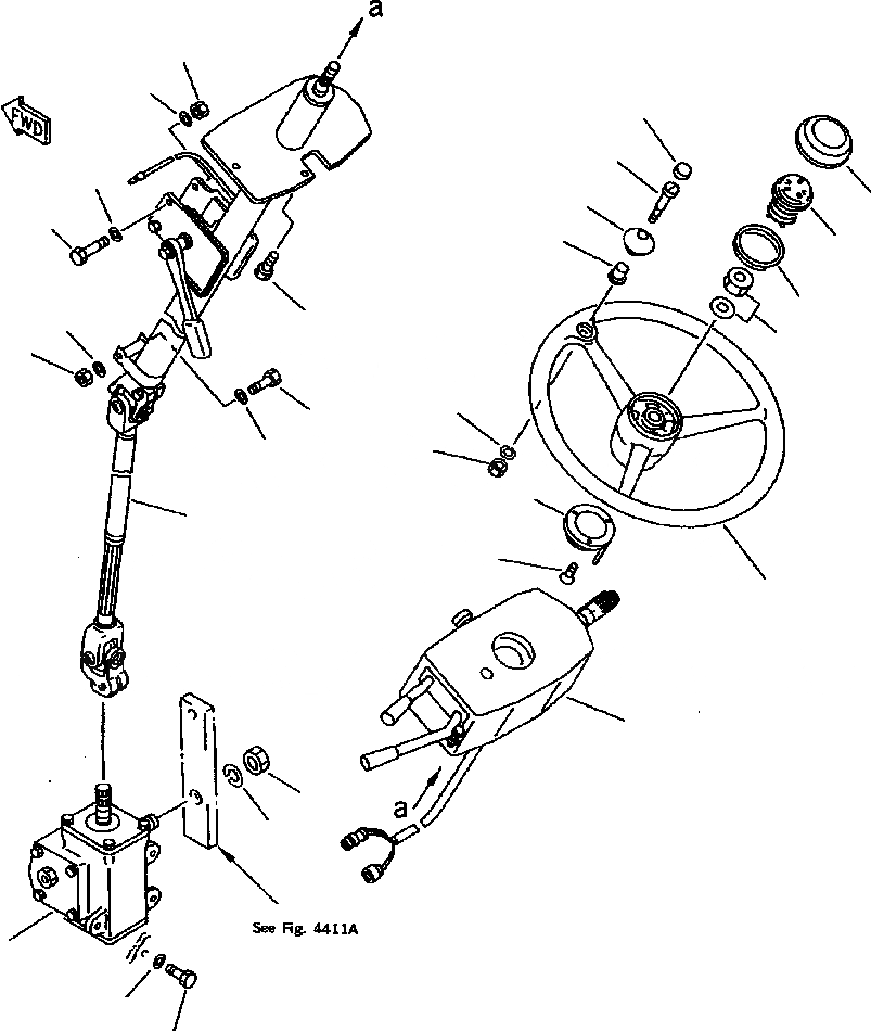
Запчасти Komatsu WA800-2L FIG NO. РУЛЕВОЕ КОЛЕСО И УПРАВЛ-Е ТРАНСМИССИЕЙ РУЛЕВ. УПРАВЛЕНИЕ СИСТЕМА УПРАВЛЕНИЯ

Схема запчастей Komatsu WA800-2L - FIG NO. РУЛЕВОЕ КОЛЕСО И УПРАВЛ-Е ТРАНСМИССИЕЙ РУЛЕВ. УПРАВЛЕНИЕ СИСТЕМА УПРАВЛЕНИЯ
18
19
10
6
19
4
5
17
7
3
2
22
14
16
23
9
20
8
21
11
16
12
1
13
25
26
24
28
27
FIT
1:1
100%

Артикул

Название

Примечание

Количество

|$0

421-40-12100

STEERING WHEEL ASS'Y

1шт.

|$1

421-40-12111

WHEEL ASS'Y, STEERING

1шт.

1

421-40-12121

WHEEL

1шт.

2

362-43-15140

SPRING, LOCK

1шт.

3

421-40-12160

CAP, CONTACT

1шт.

4

362-43-15120

BUTTON, HORN

1шт.

5

362-43-15160

GRIP

1шт.

6

362-43-15180

SHAFT

1шт.

7

362-43-15190

BUSHING

1шт.

8

362-43-15210

NUT

1шт.

9

362-43-15220

WASHER, SPRING

1шт.

10

362-43-15170

CAP

1шт.

11

421-40-12151

PIN, CANCEL

1шт.

12

01235-40616

SCREW

3шт.

13

427-06-11602

SWITCH ASS'Y, TRANSMISSION CONTROL

1шт.

14

01435-00612

BOLT

3шт.

16

421-40-12314

STEERING COLUMN A., (SEE PG 04-042)

-29шт.

17

01011-81010

BOLT

2шт.

18

01580-11008

NUT

2шт.

19

01643-31032

WASHER

4шт.

20

421-40-12912

BOLT

1шт.

21

01643-31232

WASHER

1шт.

22

01643-30823

WASHER

1шт.

23

01580-10806

NUT

1шт.

24

416-40-12300

STEERING GEAR ASS'Y, (SEE PG 04-044)

-29шт.

25

01583-12213

NUT

1шт.

26

01602-22268

WASHER, SPRING

1шт.

27

01050-81260

BOLT

3шт.

28

01643-31232

WASHER

3шт.

Выбрано товаров: 29