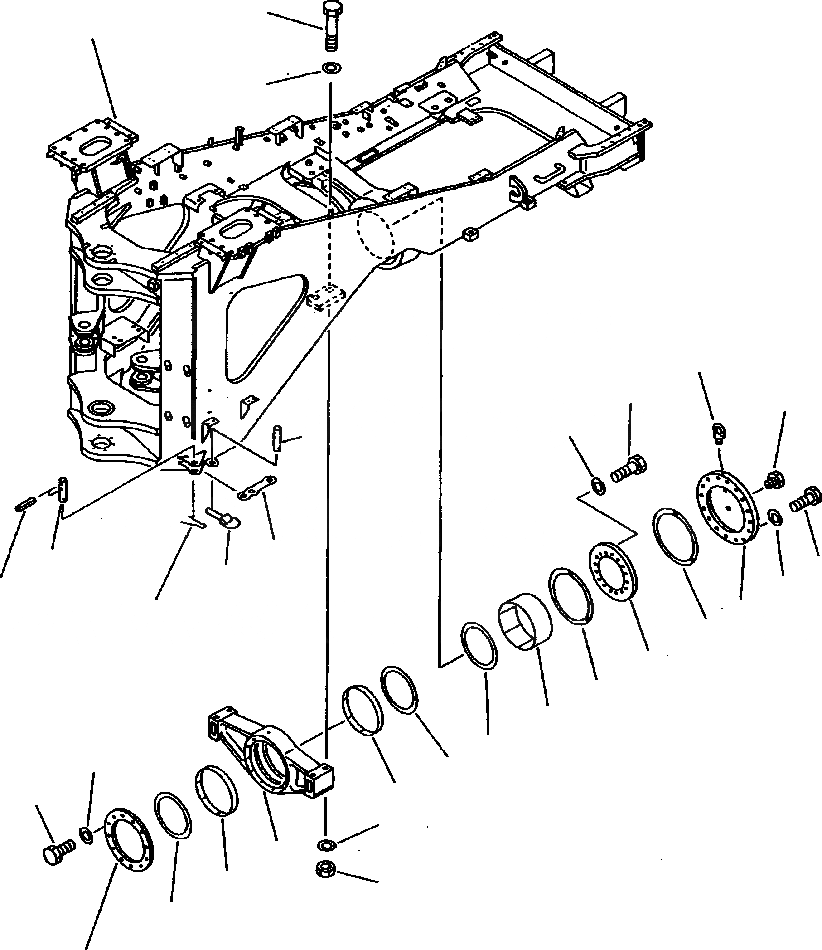
Запчасти Komatsu WA800-2L FIG NO. A ЗАДН. РАМА РАМА

Схема запчастей Komatsu WA800-2L - FIG NO. A ЗАДН. РАМА РАМА
9
1
10
20
16
19
17
24
23
24
21
26
22
25
27
18
15
14
15
12
13
8
4
3
7
10
2
3
11
6
5
FIT
1:1
100%

Артикул

Название

Примечание

Количество

1

427-46-A2110

FRAME, REAR

1шт.

2

427-46-12122

SUPPORT, FRONT

1шт.

3

427-46-12260

BUSHING

2шт.

4

427-46-12311

PACKING

1шт.

5

427-46-12270

RETAINER

1шт.

6

427-46-12281

PACKING

1шт.

7

01010-81450

BOLT

12шт.

8

01643-31445

WASHER

12шт.

9

427-46-12130

BOLT

4шт.

10

01643-33990

WASHER

8шт.

11

01580-03931

NUT

4шт.

12

427-46-12320

BUSHING

1шт.

13

427-46-12311

PACKING

1шт.

14

427-46-12170

PLATE, THRUST

1шт.

15

427-46-12161

WASHER, THRUST

2шт.

16

01011-82420

BOLT

16шт.

17

01643-32460

WASHER

16шт.

18

427-46-12180

COVER, THRUST

1шт.

19

07029-00000

VALVE, RELIEF

1шт.

20

04530-11018

BOLT, EYE

1шт.

21

01011-82400

BOLT

16шт.

22

01643-32460

WASHER

16шт.

23

427-46-12211

PLATE

1шт.

24

427-46-12221

PIN

2шт.

25

04025-01080

PIN, SPRING

4шт.

26

426-46-12280

PIN

1шт.

27

04050-10070

PIN, COTTER

1шт.

Выбрано товаров: 27