Качественные детали и логистика
Оригинальные и аналоговые запчасти с доставкой по России, Казахстану и Беларуси
©2022 PartSell ООО "Система" ИНН 2463123282 ОГРН 1212400004838
Центральный офис: г. Красноярск, Академика Киренского, д.87, пом.4
Телефон: 8 (800) 777-65-74 Email: zakaz@partsell.ru
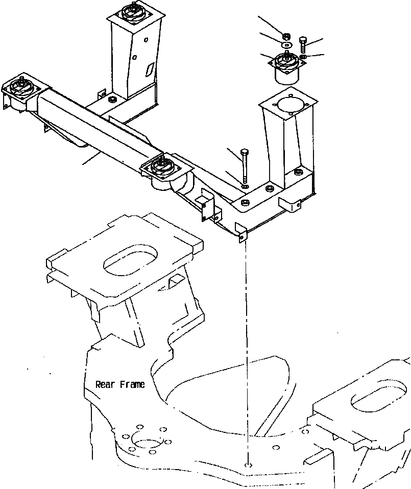
FIG NO. B ПОЛ СУППОРТ
№
Артикул
Название
Примечание
Количество
1
427-54-A3110
SUPPORT
1шт.
2
01011-81670
BOLT
6шт.
3
01643-31645
WASHER
4
425-54-23130
MOUNT ASS'Y, VISCOUS
4шт.
5
421-70-11280
6
01596-01615
NUT
7
01010-81035
16шт.
8
01643-31032
Выбрано товаров: 0