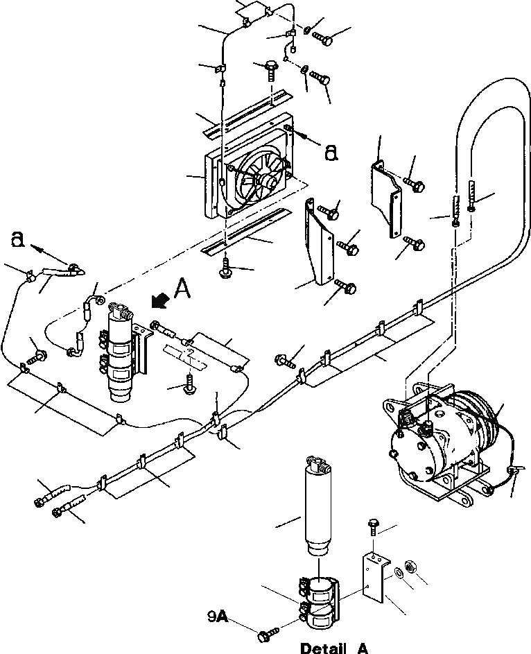
Запчасти Komatsu WA800-2L FIG NO. B ТРУБКИ КОНДИЦИОНЕРА И КОНДЕНСАТОР WA8 & WA9 РАМА

Схема запчастей Komatsu WA800-2L - FIG NO. B ТРУБКИ КОНДИЦИОНЕРА И КОНДЕНСАТОР WA8 & WA9 РАМА
30
32
29
31
30
28
30
34
27
33
23
20
21
1
24
2
26
27
17
25
28
5
22
1
25
18
19
18
16
15
20
35
17
17
4
15
36
2
6
8
9
11
10
7
FIT
1:1
100%

Артикул

Название

Примечание

Количество

1

427-07-A1350

HOSE

1шт.

2

427-07-A1360

HOSE

1шт.

4

427-07-A1370

HOSE

1шт.

5

427-07-A1340

HOSE

1шт.

6

427-07-A1120

RECEIVER TANK

1шт.

7

427-07-A1130

BRACKET

1шт.

8

427-07-A1170

CLAMP

1шт.

9

01643-30823

WASHER

2шт.

9A

01010-50825

BOLT

2шт.

10

01596-00807

NUT

2шт.

11

01435-01020

BOLT

2шт.

15

04435-52212

CLIP

4шт.

16

04435-51910

CLIP

4шт.

17

04434-51910

CLIP

4шт.

18

01435-01016

BOLT

12шт.

19

04434-51510

CLIP

6шт.

20

01435-01016

BOLT

6шт.

21

CONDENSER ASS'Y (SEE PG 05-062)

-29шт.

22

427-963-1110

PLATE

1шт.

23

427-963-1120

PLATE

1шт.

24

01435-01225

BOLT

4шт.

25

01435-01220

BOLT

3шт.

26

01435-01225

BOLT

1шт.

27

427-54-11410

BAFFLE

2шт.

28

01435-01220

BOLT

4шт.

29

427-S62-1220

WIRING HARNESS

1шт.

|$26

421-06-11970

DIODE

1шт.

30

08036-10810

CLIP

4шт.

31

01010-80612

BOLT

4шт.

32

01643-30623

WASHER

4шт.

33

01010-80816

BOLT

1шт.

34

01643-30823

WASHER

1шт.

35

427-07-A1380

WIRE ASS'Y

1шт.

36

08034-20519

BAND

1шт.

Выбрано товаров: 34