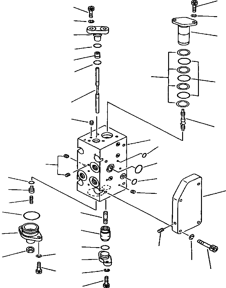
Запчасти Komatsu WA800-2L FIG NO. 9 ПОГРУЗ. НАСОС (СЕРВОКЛАПАН, ПЕРЕДН. /) (9/) УПРАВЛ-Е РАБОЧИМ ОБОРУДОВАНИЕМ

Схема запчастей Komatsu WA800-2L - FIG NO. 9 ПОГРУЗ. НАСОС (СЕРВОКЛАПАН, ПЕРЕДН. /) (9/) УПРАВЛ-Е РАБОЧИМ ОБОРУДОВАНИЕМ
23
13
24
14
10
20
12
11
12
22
21
3
2
15
29
27
2
7
28
6
25
2
8
17
5
4
26
14
9
18
31
30
13
24
23
1
16
19
FIT
1:1
100%

Артикул

Название

Примечание

Количество

|$0

PUMP ASS'Y (SEE PG 06-002)

-29шт.

|$1

VALVE ASS'Y, SERVO, FRONT (SEE PG 06-022)

-29шт.

|$2

708-25-08611

VALVE ASS'Y, ENGINE SENSING

1шт.

|$3

708-23-07042

BODY ASS'Y

1шт.

1

NSS

BODY

1шт.

2

NSS

EXPANDER

15шт.

3

708-25-67140

ROD

1шт.

4

708-25-17350

COVER

1шт.

5

07000-33028

O-RING

1шт.

6

708-25-17410

PLUG

1шт.

7

07000-31009

O-RING

1шт.

8

708-25-15340

SCREW

1шт.

9

01580-10806

NUT

1шт.

10

708-25-17230

COVER

1шт.

11

708-25-67180

PLUG

1шт.

12

07000-32012

O-RING

2шт.

13

708-25-15320

BOLT

4шт.

14

01602-20619

WASHER, SPRING

4шт.

15

708-25-17141

SPOOL

1шт.

16

708-25-67170

SLEEVE

1шт.

17

708-25-67160

PISTON

1шт.

18

708-25-17170

COVER

1шт.

19

07000-32014

O-RING

1шт.

20

708-25-67130

COVER

1шт.

21

07000-22021

O-RING

3шт.

22

07000-02021

RING, BACK-UP

4шт.

23

708-25-15320

BOLT

4шт.

24

06102-20619

WASHER, SPRING

4шт.

|$28

708-23-00380

PLATE ASS'Y

1шт.

25

NSS

PLATE

1шт.

26

NSS

EXPANDER

2шт.

27

07000-32018

O-RING

1шт.

28

07000-32011

O-RING

1шт.

29

07000-21009

O-RING

3шт.

30

01010-30830

BOLT

4шт.

31

01602-20825

WASHER, SPRING

4шт.

Выбрано товаров: 0