Запчасти Komatsu WA800-2L FIG NO. ГИДРОТРАНСФОРМАТОР И P. O. C. НАСОС (/) УПРАВЛ-Е РАБОЧИМ ОБОРУДОВАНИЕМ

Схема запчастей Komatsu WA800-2L - FIG NO. ГИДРОТРАНСФОРМАТОР И P. O. C. НАСОС (/) УПРАВЛ-Е РАБОЧИМ ОБОРУДОВАНИЕМ
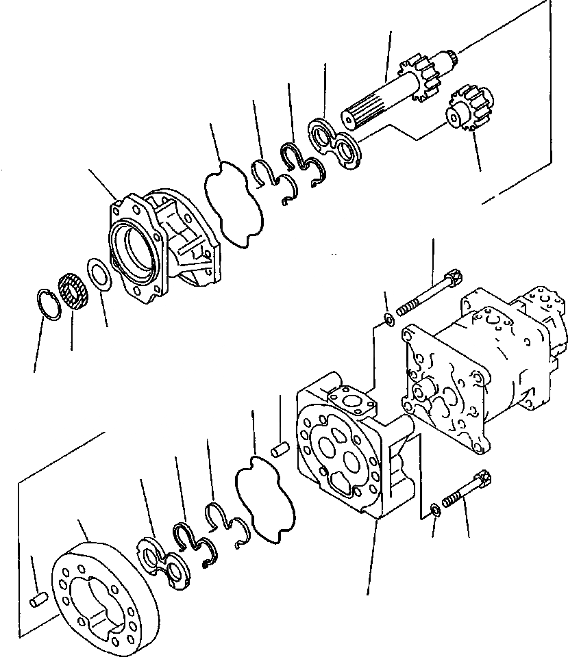
6
8
10
9
5
1
7
12
13
15
4
5
9
10
8
2
13
11
4
3
14
16
FIT
1:1
100%

Артикул

Название

Примечание

Количество

|$0

705-58-43010

PUMP ASS'Y, (SAR4-112+3-100+1-32)

1шт.

|$1

705-32-41210

PUMP ASS'Y, (SAR112)

1шт.

1

705-17-04021

BRACKET

1шт.

|$3

705-17-04352

BUSHING, PLANE

2шт.

2

705-18-41010

CASE, GEAR

1шт.

3

705-19-04240

CARRIER

1шт.

|$6

705-17-04352

BUSHING, PLANE

2шт.

4

04020-01842

PIN, DOWEL

4шт.

5

705-17-04381

O-RING

2шт.

6

705-29-41430

GEAR, DRIVE

1шт.

7

705-18-41510

GEAR, DRIVEN

1шт.

8

705-17-04611

PLATE, SIDE

2шт.

9

705-17-04440

RING, BACK-UP

2шт.

10

705-17-04470

RING, SEAL

2шт.

11

705-17-04640

BOLT

4шт.

12

705-17-04720

BOLT

4шт.

13

705-17-04980

WASHER

8шт.

14

705-17-04870

PLATE

1шт.

15

704-17-05810

SEAL, OIL

1шт.

16

04065-06220

RING, SNAP

1шт.

Выбрано товаров: 0