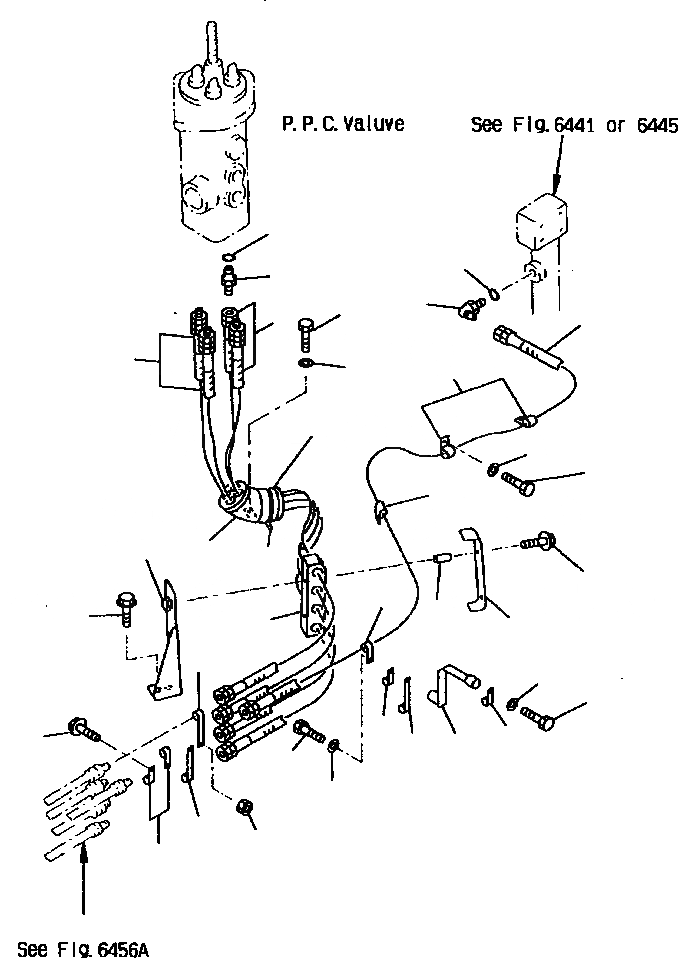
Запчасти Komatsu WA800-2L FIG NO. A ГИДРОЛИНИЯ (P. P. C. КЛАПАН ЛИНИЯ /7) УПРАВЛ-Е РАБОЧИМ ОБОРУДОВАНИЕМ

Схема запчастей Komatsu WA800-2L - FIG NO. A ГИДРОЛИНИЯ (P. P. C. КЛАПАН ЛИНИЯ /7) УПРАВЛ-Е РАБОЧИМ ОБОРУДОВАНИЕМ
2
6
1
5
16
3
4
3
18
17
15
20
19
18
7
13
14
11
26
12
10
8
9
21
33
32
27
23
31
28
25
29
30
21
24
22
FIT
1:1
100%

Артикул

Название

Примечание

Количество

1

07230-20315

UNION

4шт.

2

07002-22034

O-RING

4шт.

3

07102-20315

HOSE

4шт.

4

07102-20321

HOSE

1шт.

5

07235-10315

ELBOW

1шт.

6

07002-22034

O-RING

1шт.

7

427-62-11620

BRACKET

1шт.

8

427-62-11630

RUBBER

1шт.

9

427-62-11640

PLATE

1шт.

10

20T-03-11130

SPACER

2шт.

11

01435-01055

BOLT

2шт.

12

01435-01020

BOLT

2шт.

13

427-62-11650

COVER

1шт.

14

08034-20536

BAND

2шт.

15

198-911-4480

CLIP

1шт.

16

01010-81016

BOLT

1шт.

17

01643-31032

WASHER

1шт.

18

08036-01814

CLIP

3шт.

19

01010-81016

BOLT

3шт.

20

01643-31032

WASHER

3шт.

21

08035-03008

CLIP

2шт.

22

08036-01814

CLIP

2шт.

23

01435-01025

BOLT

1шт.

24

01580-11008

NUT

1шт.

25

427-63-14130

BRACKET

1шт.

26

08036-01814

CLIP

1шт.

27

08036-01414

CLIP

1шт.

28

08035-03008

CLIP

1шт.

29

01010-81025

BOLT

1шт.

30

01643-31032

WASHER

1шт.

31

424-06-12780

CLIP

1шт.

32

01010-81020

BOLT

1шт.

33

01643-31032

WASHER

1шт.

Выбрано товаров: 33