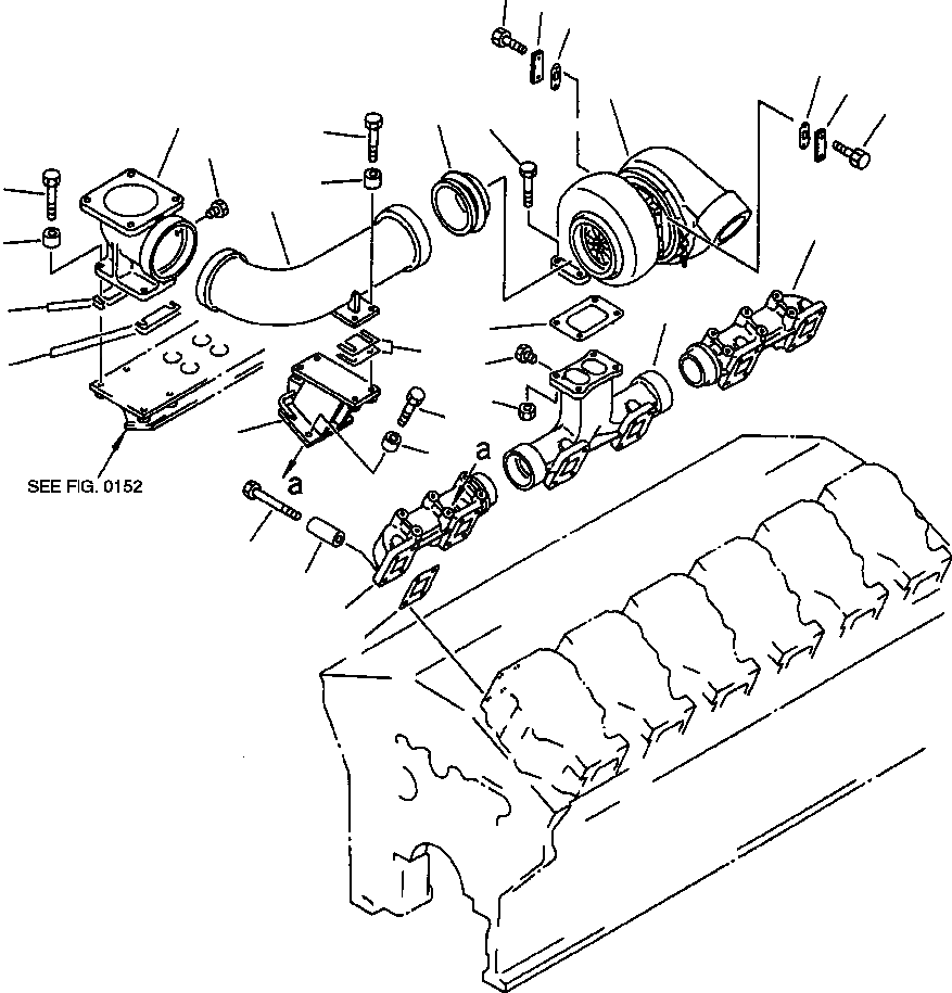
Запчасти Komatsu WA800-2L FIG NO. ВЫПУСКНОЙ КОЛЛЕКТОР И ТУРБОНАГНЕТАТЕЛЬ (/) ГОЛОВКА ЦИЛИНДРОВ

Схема запчастей Komatsu WA800-2L - FIG NO. ВЫПУСКНОЙ КОЛЛЕКТОР И ТУРБОНАГНЕТАТЕЛЬ (/) ГОЛОВКА ЦИЛИНДРОВ
14
12
13
13
12
8
14
16
10
21
20
22
19
25
15
4
24
23
2
9
18
3
23
11
20
17
19
7
6
1
5
FIT
1:1
100%

Артикул

Название

Примечание

Количество

1

6215-11-5110

MANIFOLD, EXHAUST, FRONT, L.H

1шт.

2

6215-11-5140

MANIFOLD, EXHAUST, CENTER, L.H

1шт.

3

6215-11-5920

PLUG

2шт.

4

6215-11-5130

MANIFOLD, EXHAUST, REAR, L.H

1шт.

5

6210-11-5881

GASKET

6шт.

6

6215-11-5720

SPACER

24шт.

7

01020-11095

BOLT

24шт.

8

TURBOCHARGER (SEE PG E1-024)

-29шт.

9

6212-15-5831

GASKET

1шт.

10

6138-13-4510

BOLT

4шт.

11

6114-11-5590

NUT

4шт.

12

6164-62-8230

PLATE

4шт.

13

6164-62-8240

GASKET

4шт.

14

01010-31025

BOLT

8шт.

15

6215-11-5291

ELBOW, EXHAUST

1шт.

16

6215-11-5280

CONNECTOR

1шт.

17

6215-11-5651

BRACKET

1шт.

18

6215-11-5980

SHIM, 0.5MM

4шт.

|$18

6215-11-5990

SHIM, 1.0MM

2шт.

19

6631-11-5630

SPACER

8шт.

20

01010-61045

BOLT

8шт.

21

6215-11-5871

ELBOW, EXHAUST

1шт.

22

6215-11-5920

PLUG

2шт.

23

6215-11-5760

SHIM, 0.5MM

2шт.

|$24

6215-11-5770

SHIM, 1.0MM

4шт.

24

6631-11-5630

SPACER

4шт.

25

01010-61050

BOLT

4шт.

|$$28

-1шт.

|$28

F1 - PART OF GASKET SET 6215-K1-4002.

-1шт.

|$$30

-1шт.

Выбрано товаров: 30