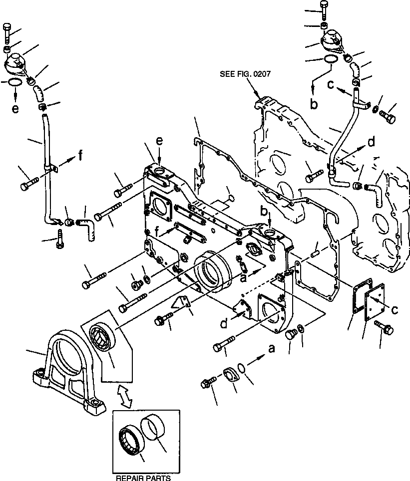
Запчасти Komatsu WA800-2L FIG NO. A ПЕРЕДН. COVER БЛОК ЦИЛИНДРОВ

Схема запчастей Komatsu WA800-2L - FIG NO. A ПЕРЕДН. COVER БЛОК ЦИЛИНДРОВ
22
22
21
21
19
19
24
24
23
20
24
23
20
28
27
24
7
25
26
1
29
31
29
30
11
2
30
31
10
8
29
12
4
3
9
32
17
33
16
35
6
18
5
36
34
14
13
15
38
37
FIT
1:1
100%

Артикул

Название

Примечание

Количество

|$0

6215-21-3011

FRONT COVER ASS'Y

1шт.

1

NSS

COVER

1шт.

2

07046-11816

PLUG

9шт.

3

07040-12414

PLUG

1шт.

4

07005-02416

GASKET

1шт.

5

07040-11007

PLUG

2шт.

6

07005-01012

GASKET

2шт.

7

6215-21-3811

GASKET

1шт.

8

04020-01434

PIN, DOWEL

2шт.

9

01011-31245

BOLT

1шт.

10

01011-31230

BOLT

9шт.

11

01010-31290

BOLT

3шт.

12

01010-31275

BOLT

7шт.

13

6144-81-5151

COVER

1шт.

14

07000-03050

O-RING

1шт.

15

01435-20612

BOLT

2шт.

16

6215-71-3721

COVER

1шт.

17

6215-81-6190

GASKET

1шт.

18

01010-51025

BOLT

3шт.

19

6210-21-8711

BREATHER

2шт.

20

07000-62060

O-RING

2шт.

21

6631-11-5630

SPACER

4шт.

22

01010-31040

BOLT

4шт.

23

6130-61-6611

HOSE

2шт.

24

07285-00260

CLIP

4шт.

25

6215-21-8780

TUBE

1шт.

26

6215-21-8770

TUBE

1шт.

27

01010-31030

BOLT

1шт.

28

01640-01016

WASHER

1шт.

29

01010-31220

BOLT

3шт.

30

07287-01912

HOSE

2шт.

31

07285-00220

CLIP

2шт.

32

6215-21-3350

POINTER

1шт.

33

01435-20610

BOLT

2шт.

34

6162-23-3510

SEAL, FRONT

1шт.

35

6215-21-3710

SUPPORT, FRONT

1шт.

36

01010-31275

BOLT

1шт.

|$37

6215-29-4320

SEAL ASS'Y, FRONT, (REPAIR PARTS)

1шт.

37

6215-29-4330

SEAL, FRONT

1шт.

38

6215-29-4340

SLEEVE

1шт.

|$$41

-1шт.

|$41

F1 - PART OF GASKET SET 6215-K2-4002.

-1шт.

|$$43

-1шт.

Выбрано товаров: 43