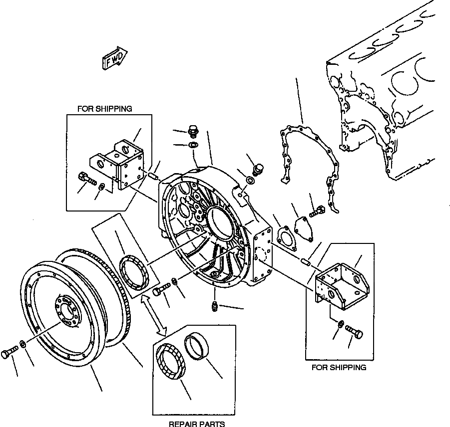
Запчасти Komatsu WA800-2L FIG NO. МАХОВИК И КАРТЕР МАХОВИКА БЛОК ЦИЛИНДРОВ

Схема запчастей Komatsu WA800-2L - FIG NO. МАХОВИК И КАРТЕР МАХОВИКА БЛОК ЦИЛИНДРОВ
3
13
1
11
12
11
14
12
18
17
15
16
19
6
14
13
5
2
4
16
15
8
10
9
21
7
20
FIT
1:1
100%

Артикул

Название

Примечание

Количество

1

6215-21-4110

HOUSING, FLYWHEEL

1шт.

2

07042-30415

PLUG

1шт.

3

6215-21-4810

GASKET

1шт.

4

01010-31865

BOLT

14шт.

5

01643-31845

WASHER

14шт.

6

6215-21-4230

SEAL, REAR

1шт.

|$6

6215-31-4300

FLYWHEEL ASS'Y

1шт.

7

NSS

FLYWHEEL

1шт.

8

6645-31-1321

GEAR, RING

1шт.

9

01050-32080

BOLT

10шт.

10

6127-11-1620

WASHER

10шт.

11

6136-51-4140

PLUG

2шт.

12

07005-02216

GASKET

2шт.

13

6215-21-3310

BRACKET, (FOR SHIPPING)

2шт.

14

04020-01434

PIN, DOWEL

4шт.

15

01010-32050

BOLT, (FOR SHIPPING)

8шт.

16

01643-32060

WASHER, (FOR SHIPPING)

8шт.

17

6164-81-3210

COVER

1шт.

18

01010-31630

BOLT

3шт.

19

6610-81-2210

GASKET

1шт.

|$20

6215-29-4220

REAR SEAL ASS'Y, (REPAIR PARTS)

1шт.

20

6215-29-4230

SEAL, REAR

1шт.

21

6215-29-4240

SLEEVE

1шт.

|$$24

-1шт.

|$24

F1 - PART OF GASKET SET 6215-K2-4002.

-1шт.

|$$26

-1шт.

Выбрано товаров: 0