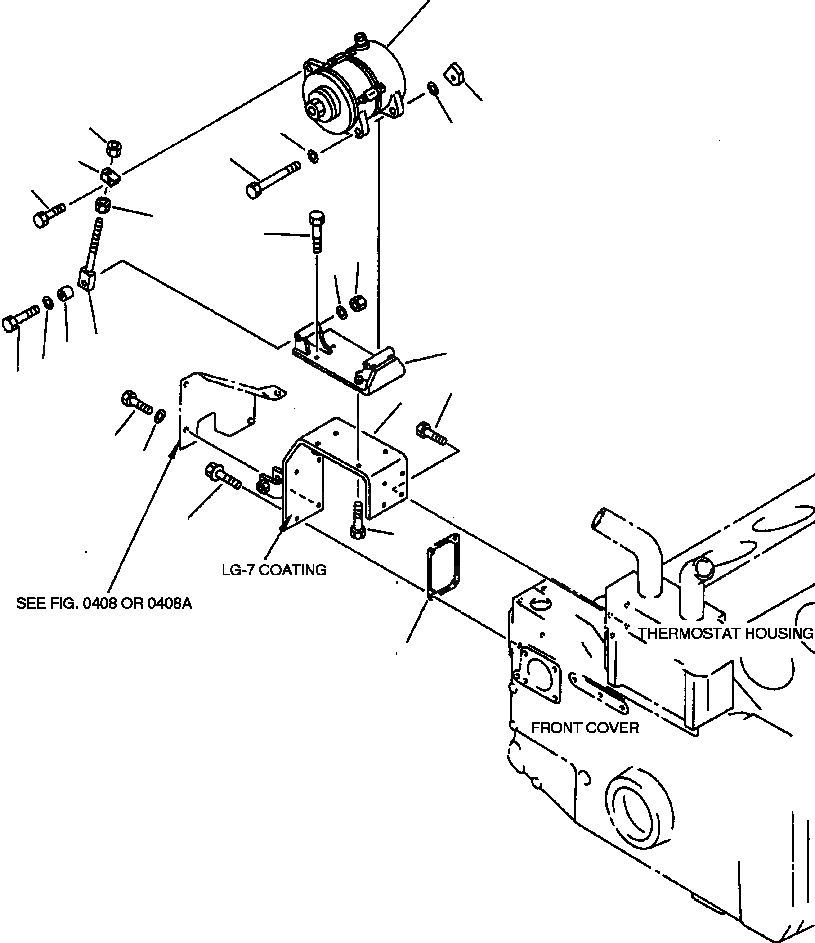
Запчасти Komatsu WA800-2L FIG NO. ГЕНЕРАТОР И КРЕПЛЕНИЕ ЭЛЕКТРИКА

Схема запчастей Komatsu WA800-2L - FIG NO. ГЕНЕРАТОР И КРЕПЛЕНИЕ ЭЛЕКТРИКА
1
10
14
11
11
9
13
15
14
8
18
19
12
7
16
19
17
3
2
5
6
5
8
4
FIT
1:1
100%

Артикул

Название

Примечание

Количество

1

ALTERNATOR (75A) (SEE PG E6-008)

-29шт.

|$1

ALTERNATOR (50A) (SEE PG E6-010)

-29шт.

2

6215-81-6171

BRACKET

1шт.

3

01010-31025

BOLT

4шт.

4

6215-81-6190

GASKET

1шт.

5

01010-51025

BOLT

4шт.

6

01643-31032

WASHER

2шт.

7

6215-81-6120

BRACKET

1шт.

8

01010-31025

BOLT

4шт.

9

6128-21-6780

BOLT

1шт.

10

6164-81-8180

NUT

1шт.

11

01640-21323

WASHER

2шт.

12

6215-81-6131

ROD

1шт.

13

6215-81-6141

PLATE

1шт.

14

01580-11411

NUT

2шт.

15

01050-31245

BOLT

1шт.

16

6215-81-6150

PIN

1шт.

17

01011-31220

BOLT

1шт.

18

01580-11210

NUT

1шт.

19

01640-21223

WASHER

2шт.

|$$21

-1шт.

|$21

F1 - PART OF GASKET SET 6215-K1-4002.

-1шт.

|$$23

-1шт.

Выбрано товаров: 0