Запчасти Komatsu WA800-2LC FIG NO. МЕХАНИЗМ ОСТАНОВКИ СТРЕЛЫ И КОВШ ПОЗИЦИОНЕР УПРАВЛ-Е РАБОЧИМ ОБОРУДОВАНИЕМ

Схема запчастей Komatsu WA800-2LC - FIG NO. МЕХАНИЗМ ОСТАНОВКИ СТРЕЛЫ И КОВШ ПОЗИЦИОНЕР УПРАВЛ-Е РАБОЧИМ ОБОРУДОВАНИЕМ
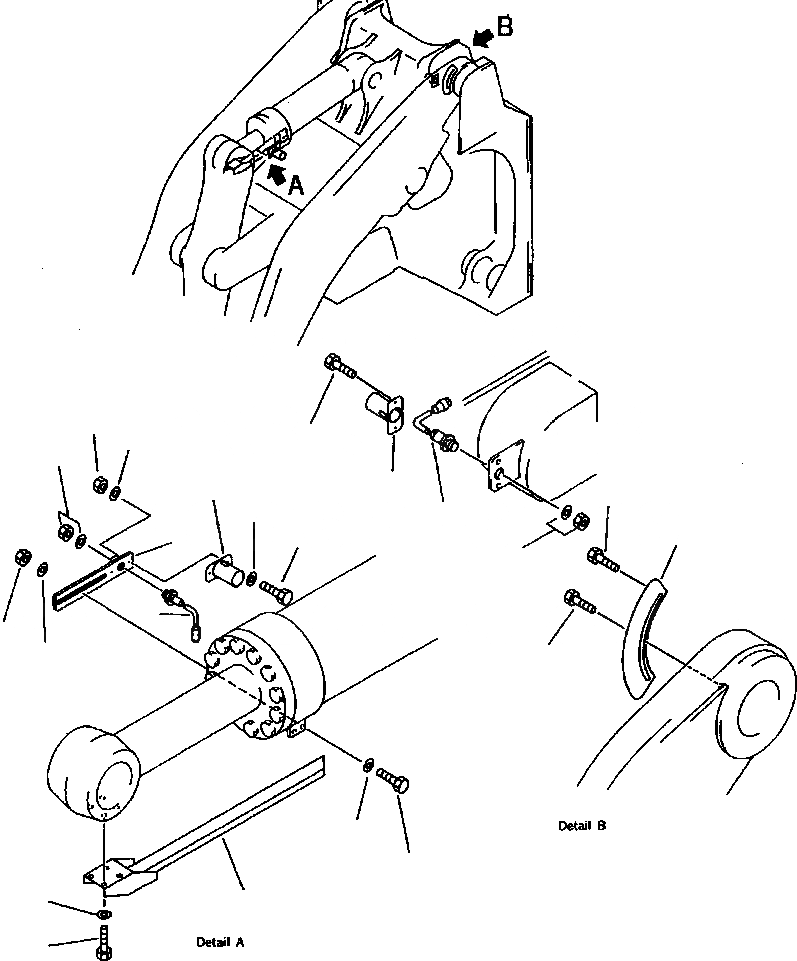
12
3
11
8
2
9
6
1
11
5
13
10
1
8
16
15
6
15
14
4
17
7
FIT
1:1
100%

Артикул

Название

Примечание

Количество

1

421-06-11166

SWITCH, KICK OUT

1шт.

2

426-43-19110

COVER

1шт.

3

01435-01020

BOLT

2шт.

4

01643-31232

WASHER

4шт.

5

427-43-19120

PLATE

1шт.

|$5

427-43-19320

PLATE, (FOR HIGH LIFT)

1шт.

6

01435-01020

BOLT

2шт.

7

01010-81225

BOLT

4шт.

8

421-16-11166

SWITCH, BUCKET POSITIONER

1шт.

9

426-43-19110

COVER

1шт.

10

01435-01035

BOLT

2шт.

11

01643-30132

WASHER

2шт.

12

01596-01009

NUT

2шт.

13

427-43-19230

PLATE

1шт.

14

01435-01245

BOLT

2шт.

15

01643-31232

WASHER

2шт.

16

01596-01211

NUT

2шт.

17

427-44-11111

SUPPORT

1шт.

|$18

427-871-1122

SUPPORT, (FOR HIGH LIFT)

1шт.

Выбрано товаров: 19