Качественные детали и логистика
Оригинальные и аналоговые запчасти с доставкой по России, Казахстану и Беларуси
©2022 PartSell ООО "Система" ИНН 2463123282 ОГРН 1212400004838
Центральный офис: г. Красноярск, Академика Киренского, д.87, пом.4
Телефон: 8 (800) 777-65-74 Email: zakaz@partsell.ru
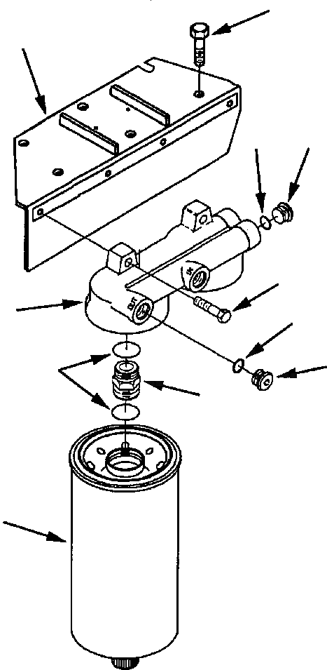
ТОПЛИВН. ФИЛЬТР.
№
Артикул
Название
Примечание
Количество
1
6216-74-6150
SEAL, O-RING
2шт.
2
6216-74-6160
PLUG, O-RING (7/8 - 14 UNF)
|$2
6216-74-6120
FUEL FILTER HEAD ASSEMBLY
1шт.
3
6216-74-6130
4
6216-74-6140
ADAPTER, FILTER HEAD
5
6210-74-6210
HEAD, FUEL FILTER
6
6216-84-6270
BOLT (M10x1.50x25)
6шт.
7
6216-74-6110
BOLT (M10x1.50x45)
8
6216-51-5830
BRACKET, FILTER
9
6216-74-6170
SEPARATOR, FUEL WATER
Выбрано товаров: 0