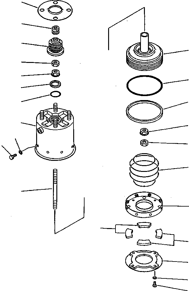
Запчасти Komatsu WA800-2LC FIG NO. 7 ПРУжИН. ЦИЛИНДР. ВЕДУЩ. ВАЛ, МОСТS КОЛЕСА & ТОРМОЗ. СИСТЕМАS

Схема запчастей Komatsu WA800-2LC - FIG NO. 7 ПРУжИН. ЦИЛИНДР. ВЕДУЩ. ВАЛ, МОСТS КОЛЕСА & ТОРМОЗ. СИСТЕМАS
10
12
11
6
9
8
5
2
4
3
1
8
18
17
9
13
7
14
16
16
15
20
19
FIT
1:1
100%

Артикул

Название

Примечание

Количество

|$0

FRONT AXLE ASS'Y (SEE PG 03-010)

-29шт.

|$1

BRAKE ASS'Y, PARKING (SEE PG 03-024)

-29шт.

|$2

426-32-15501

SPRING CYLINDER A

2шт.

1

426-32-15520

CYLINDER

1шт.

|$4

566-43-05010

SERVICE KIT

1шт.

2

NSS

RING

1шт.

3

NSS

O-RING

1шт.

4

NSS

RING

1шт.

5

NSS

O-RING

1шт.

6

566-43-17680

PISTON

1шт.

7

425-32-15510

ROD

1шт.

8

566-43-17760

NUT

2шт.

9

566-43-17760

NUT

2шт.

10

566-43-17860

RETAINER

1шт.

11

566-43-17830

BOOT

1шт.

12

566-43-17840

NUT

1шт.

13

568-43-17770

SPRING

1шт.

14

426-32-15550

SUPPORT

1шт.

15

426-32-15530

HOLDER

1шт.

16

426-32-15540

FILTER

4шт.

17

566-43-17820

BOLT

8шт.

18

566-43-17850

WASHER

8шт.

19

426-32-15560

SCREW

4шт.

20

426-32-15570

WASHER

4шт.

Выбрано товаров: 0