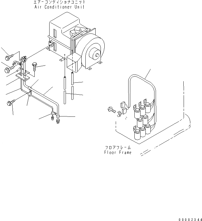
Запчасти Komatsu WA800-3 ПОЛ SUB (ТРУБКИ КОНДИЦИОНЕРА И ЭЛЕКТРИКА)(№-) КАБИНА ОПЕРАТОРА И СИСТЕМА УПРАВЛЕНИЯ

Схема запчастей Komatsu WA800-3 - ПОЛ SUB (ТРУБКИ КОНДИЦИОНЕРА И ЭЛЕКТРИКА)(№-) КАБИНА ОПЕРАТОРА И СИСТЕМА УПРАВЛЕНИЯ
1
1
2
2
3
4
5
6
7
8
9
10
11
12
13
FIT
1:1
100%

Артикул

Название

Примечание

Количество

1

04434-50810

CLIP

SN: 50026-UP

2шт.

2

04434-51610

CLIP

SN: 50026-UP

2шт.

3

01435-01016

BOLT

SN: 50026-UP

2шт.

4

01435-00630

BOLT

SN: 50026-UP

1шт.

5

01435-00630

BOLT

SN: 50026-UP

1шт.

6

421-07-23950

PLATE

SN: 50026-UP

1шт.

7

421-07-23980

SHEET

SN: 50026-UP

1шт.

8

01435-00610

BOLT

SN: 50026-UP

2шт.

9

427-S62-2160

TUBE

SN: 50026-UP

1шт.

|9

20Y-979-3130

O-RING

SN: 50026-UP

1шт.

10

427-S62-2171

TUBE

SN: 50026-UP

1шт.

|10

20Y-979-3150

O-RING

SN: 50026-UP

1шт.

|10

421-07-21810

SWITCH,PRESSURE

SN: 50026-UP

1шт.

|10

421-07-21820

WIRING HARNESS

SN: 50026-UP

1шт.

11

07287-01031

HOSE

SN: 50026-UP

1шт.

12

07287-01032

HOSE

SN: 50026-UP

1шт.

13

425-S61-2121

WIRING HARNESS

SN: 50026-UP

1шт.

Выбрано товаров: 17