Запчасти Komatsu WA800-3 ПРОБЛЕСК. МАЯК (ДЛЯ КАБИНА ROPS) ЭЛЕКТРИКА

Схема запчастей Komatsu WA800-3 - ПРОБЛЕСК. МАЯК (ДЛЯ КАБИНА ROPS) ЭЛЕКТРИКА
1
1
2
3
4
5
FIT
1:1
100%

Артикул

Название

Примечание

Количество

1

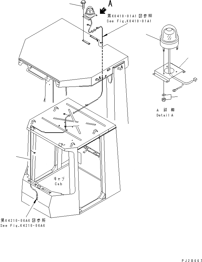
08154-72400

LAMP ASS'Y,BEACON

SN: 50001-UP

1шт.

|1

08103-02460

BULB¤ 35W

SN: 50001-UP

1шт.

2

421-957-2110

PLATE

SN: 50001-UP

1шт.

3

01435-00816

BOLT

SN: 50001-UP

4шт.

4

426-U52-2221

WIRING HARNESS

SN: 50010-UP

1шт.

|4

0

WIRING HARNESS

SN: 50001-50009

1шт.

5

423-975-1140

CAP

SN: 50001-UP

2шт.

Выбрано товаров: 0