Качественные детали и логистика
Оригинальные и аналоговые запчасти с доставкой по России, Казахстану и Беларуси
©2022 PartSell ООО "Система" ИНН 2463123282 ОГРН 1212400004838
Центральный офис: г. Красноярск, Академика Киренского, д.87, пом.4
Телефон: 8 (800) 777-65-74 Email: zakaz@partsell.ru
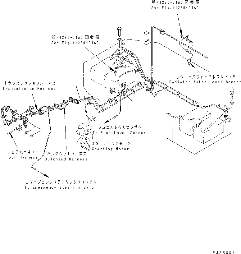
ЗАДН. Э/ПРОВОДКА (MDP МОНИТОР ЛИНИЯ) (КРОМЕ ЯПОН.)(№-8)
№
Артикул
Название
Примечание
Количество
1
427-T32-2110
WIRING HARNESS
SN: 50001-UP
1шт.
2
08034-20519
BAND
17шт.
Выбрано товаров: 0