Запчасти Komatsu WA800-3 ЗАДН. РАМА (ЦИЛИНДР РУЛЕВ. УПР-Я ЭЛЕМЕНТЫ КРЕПЛЕНИЯ) ОСНОВНАЯ РАМА И ЕЕ ЧАСТИ

Схема запчастей Komatsu WA800-3 - ЗАДН. РАМА (ЦИЛИНДР РУЛЕВ. УПР-Я ЭЛЕМЕНТЫ КРЕПЛЕНИЯ) ОСНОВНАЯ РАМА И ЕЕ ЧАСТИ
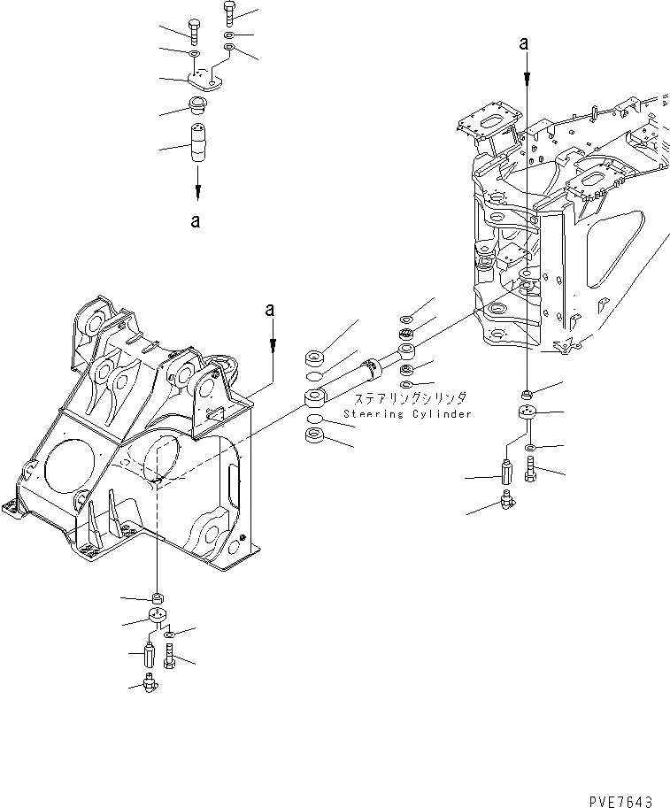
1
2
3
3
4
5
5
6
6
6
7
7
7
8
9
10
11
11
12
12
13
13
14
14
15
15
16
16
FIT
1:1
100%

Артикул

Название

Примечание

Количество

1

427-46-12410

SHAFT

SN: 50001-UP

4шт.

2

427-46-12420

PLATE

SN: 50001-UP

4шт.

3

427-46-12430

PLATE

SN: 50001-UP

4шт.

4

427-46-12440

BUSHING

SN: 50001-UP

4шт.

5

427-46-12450

BUSHING

SN: 50001-UP

4шт.

6

01010-81475

BOLT

SN: 50001-UP

24шт.

7

01643-31445

WASHER

SN: 50001-UP

24шт.

8

01010-81635

BOLT

SN: 50001-UP

4шт.

9

01643-31645

WASHER

SN: 50001-UP

8шт.

10

421-70-11280

WASHER

SN: 50001-UP

4шт.

11

421-70-11331

SHIM, 1.0MM

SN: 50001-UP

16шт.

12

07020-00900

FITTING,GREASE

SN: 50001-UP

4шт.

13

427-46-12250

SPACER

SN: 50001-UP

4шт.

14

07000-12110

O-RING

SN: 50001-UP

4шт.

15

421-09-11320

SEAL,DUST

SN: .-UP

4шт.

15

421-09-11320

SEAL,DUST

SN: 50001-.

8шт.

16

6141-55-5630

NIPPLE

SN: 50001-UP

4шт.

Выбрано товаров: 17