Запчасти Komatsu WA800-3 КОЛОНКА И СУППОРТ (СУППОРТ И ЭЛЕМЕНТЫ КРЕПЛЕНИЯ) (С AJSS)(№-) КАБИНА ОПЕРАТОРА И СИСТЕМА УПРАВЛЕНИЯ

Схема запчастей Komatsu WA800-3 - КОЛОНКА И СУППОРТ (СУППОРТ И ЭЛЕМЕНТЫ КРЕПЛЕНИЯ) (С AJSS)(№-) КАБИНА ОПЕРАТОРА И СИСТЕМА УПРАВЛЕНИЯ
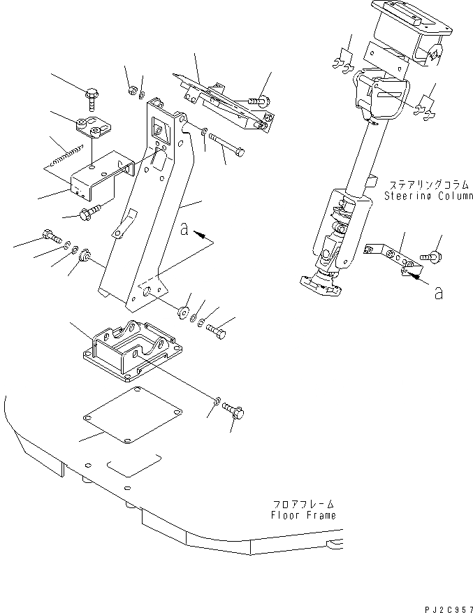
1
2
2
3
4
4
5
5
6
6
7
7
8
8
9
10
11
11
12
13
14
15
16
17
18
19
20
21
FIT
1:1
100%

Артикул

Название

Примечание

Количество

1

01011-81020

BOLT

SN: 50022-50025

2шт.

2

01643-31032

WASHER

SN: 50022-50025

4шт.

3

01596-01009

NUT

SN: 50022-50025

2шт.

4

421-40-22650

SHIM, 0.5MM

SN: 50022-50025

8шт.

5

421-40-22630

BUSHING

SN: 50022-50025

2шт.

6

01010-51025

BOLT

SN: 50022-50025

2шт.

7

01602-21030

WASHER,SPRING

SN: 50022-50025

2шт.

8

01642-21016

WASHER

SN: 50022-50025

2шт.

9

418-43-18240

SPRING

SN: 50022-50025

2шт.

10

425-54-22240

SUPPORT

SN: 50022-50025

1шт.

11

01435-01020

BOLT

SN: 50022-50025

4шт.

12

421-54-22230

SUPPORT

SN: 50022-50025

1шт.

13

01435-00612

BOLT

SN: 50022-50025

2шт.

14

421-54-22240

SUPPORT

SN: 50022-50025

1шт.

15

01435-00612

BOLT

SN: 50022-50025

2шт.

16

425-54-22231

BRACKET

SN: 50022-50025

1шт.

17

421-54-22210

SUPPORT

SN: 50022-50025

1шт.

18

425-54-22220

BRACKET

SN: 50022-50025

1шт.

19

01435-01230

BOLT

SN: 50022-50025

4шт.

20

01643-31232

WASHER

SN: 50022-50025

4шт.

21

427-54-22970

PLATE

SN: 50022-50025

1шт.

Выбрано товаров: 0