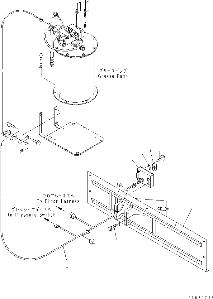
Запчасти Komatsu WA800-3 ПОКРЫТИЕ ПОЛА (ЭЛЕКТРИКА) (С АВТОМАТИЧ. СМАЗКОЙ)(№8-) ЧАСТИ КОРПУСА

Схема запчастей Komatsu WA800-3 - ПОКРЫТИЕ ПОЛА (ЭЛЕКТРИКА) (С АВТОМАТИЧ. СМАЗКОЙ)(№8-) ЧАСТИ КОРПУСА
1
2
3
4
5
6
7
FIT
1:1
100%

Артикул

Название

Примечание

Количество

1

427-S95-4441

COVER

SN: 50086-UP

1шт.

2

427-S95-4413

WIRING HARNESS,L.H.

SN: 50086-UP

1шт.

3

569-06-61960

RELAY

SN: 50086-UP

2шт.

4

287-06-16420

BRACKET

SN: 50086-UP

2шт.

5

01435-00612

BOLT

SN: 50086-UP

2шт.

6

427-S95-4451

BOX

SN: 50086-UP

1шт.

7

01435-01016

BOLT

SN: 50086-UP

4шт.

Выбрано товаров: 0