Запчасти Komatsu WA800-3E0 ГИДРОТРАНСФОРМАТОР И ТРАНСМИССИЯ (ПОГРУЗ. НАСОС ТРУБЫ)(№7-) ГИДРОТРАНСФОРМАТОР И ТРАНСМИССИЯ

Схема запчастей Komatsu WA800-3E0 - ГИДРОТРАНСФОРМАТОР И ТРАНСМИССИЯ (ПОГРУЗ. НАСОС ТРУБЫ)(№7-) ГИДРОТРАНСФОРМАТОР И ТРАНСМИССИЯ
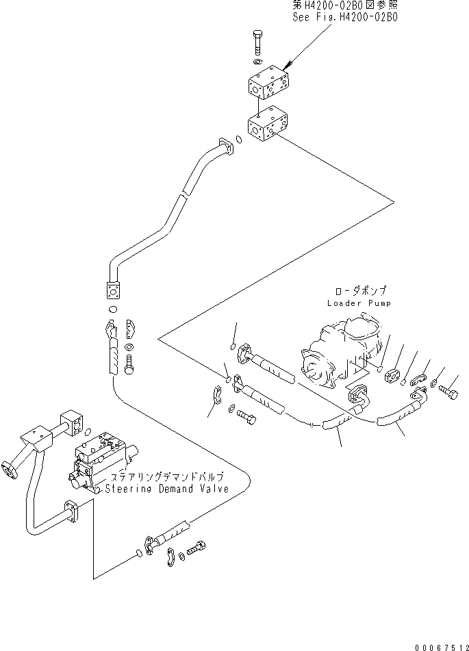
1
2
3
3
4
4
4
5
5
6
7
FIT
1:1
100%

Артикул

Название

Примечание

Количество

1

427-62-13810

SPACER

SN: 70002-UP

2шт.

2

07000-F3032

O-RING

SN: 70002-UP

2шт.

3

427-62-15651

HOSE

SN: 70002-UP

2шт.

4

07000-F3032

O-RING

SN: 70002-UP

4шт.

5

07371-31049

FLANGE,SPLIT

SN: 70002-UP

8шт.

6

07372-21060

BOLT

SN: 70002-UP

8шт.

7

01643-51032

WASHER

SN: 70002-UP

8шт.

Выбрано товаров: 7