Запчасти Komatsu WA800-3E0 КРЫЛО И ЛЕСТНИЦА (ОСНОВН. КОНСТРУКЦИЯ¤ ЛЕВ.)(№7-) ЧАСТИ КОРПУСА

Схема запчастей Komatsu WA800-3E0 - КРЫЛО И ЛЕСТНИЦА (ОСНОВН. КОНСТРУКЦИЯ¤ ЛЕВ.)(№7-) ЧАСТИ КОРПУСА
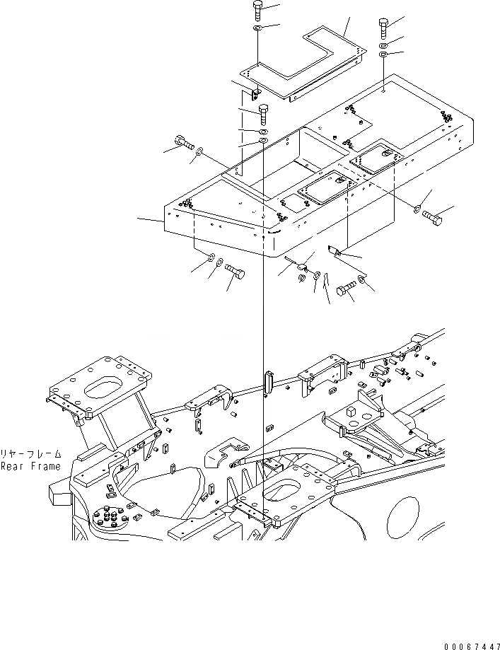
1
2
3
4
5
6
7
8
9
10
11
11
12
12
13
14
15
16
17
18
19
20
21
22
22
22
FIT
1:1
100%

Артикул

Название

Примечание

Количество

1

427-54-27130

FLOOR FRAME,L.H.

SN: 70002-UP

1шт.

2

415-54-11610

LATCH

SN: 70002-UP

2шт.

3

415-54-11620

SPRING

SN: 70002-UP

2шт.

4

415-54-11630

PIN

SN: 70002-UP

2шт.

5

01643-30623

WASHER

SN: 70002-UP

2шт.

6

04050-12015

PIN

SN: 70002-UP

2шт.

7

415-54-11640

PLATE

SN: 70002-UP

1шт.

8

01010-D1225

BOLT

SN: 70002-UP

4шт.

9

01643-71232

WASHER

SN: 70002-UP

4шт.

10

427-54-25951

COVER

SN: 70002-UP

1шт.

11

01010-D1230

BOLT

SN: 70002-UP

4шт.

12

01643-71232

WASHER

SN: 70002-UP

4шт.

13

427-54-26840

PLATE

SN: 70002-UP

2шт.

14

01010-D1230

BOLT

SN: 70002-UP

4шт.

15

01643-71232

WASHER

SN: 70002-UP

4шт.

16

01010-81250

BOLT

SN: 70002-UP

2шт.

17

01643-31232

WASHER

SN: 70002-UP

2шт.

18

01010-81240

BOLT

SN: 70002-UP

6шт.

19

01643-31232

WASHER

SN: 70002-UP

6шт.

20

01010-81240

BOLT

SN: 70002-UP

3шт.

21

01643-31232

WASHER

SN: 70002-UP

3шт.

22

124-54-26540

WASHER

SN: 70002-UP

11шт.

Выбрано товаров: 22