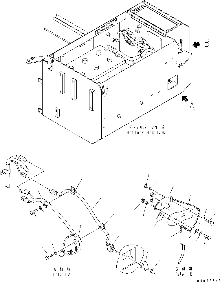
Запчасти Komatsu WA800-3E0 КОРПУС АККУМУЛЯТОРА¤ ЛЕВ. (АККУМУЛЯТОР DISCONNECT ПЕРЕКЛЮЧАТЕЛЬ)(№78-) ЭЛЕКТРИКА

Схема запчастей Komatsu WA800-3E0 - КОРПУС АККУМУЛЯТОРА¤ ЛЕВ. (АККУМУЛЯТОР DISCONNECT ПЕРЕКЛЮЧАТЕЛЬ)(№78-) ЭЛЕКТРИКА
1
1
2
3
5
5
5
5
6
6
7
7
8
8
9
10
11
12
13
14
14
15
15
16
16
17
FIT
1:1
100%

Артикул

Название

Примечание

Количество

1

23S-05-25221

SWITCH

SN: 70028-UP

1шт.

2

08504-10000

CAP

SN: 70028-UP

1шт.

3

427-06-25381

WIRING HARNESS

SN: 70028-UP

1шт.

5

04434-51410

CLIP

SN: 70028-UP

4шт.

6

01010-81020

BOLT

SN: 70028-UP

2шт.

7

01643-31032

WASHER

SN: 70028-UP

2шт.

8

22T-05-15630

DIODE

SN: 70028-UP

1шт.

9

426-06-33570

SWITCH

SN: 70028-UP

1шт.

10

01010-D0620

BOLT

SN: 70028-UP

1шт.

11

01643-70623

WASHER

SN: 70028-UP

1шт.

12

01010-D0625

BOLT

SN: 70028-UP

1шт.

13

01643-70623

WASHER

SN: 70028-UP

1шт.

14

01643-30623

WASHER

SN: 70028-UP

2шт.

15

01580-10605

NUT

SN: 70028-UP

2шт.

16

565-44-11460

CHAIN

SN: 70028-UP

2шт.

17

22W-70-16120

WASHER

SN: 70028-UP

1шт.

Выбрано товаров: 0