Запчасти Komatsu WA800-3E0 ПОЛ SUB (ORBITROL ЧАСТЬ)(№7-) КАБИНА ОПЕРАТОРА И СИСТЕМА УПРАВЛЕНИЯ

Схема запчастей Komatsu WA800-3E0 - ПОЛ SUB (ORBITROL ЧАСТЬ)(№7-) КАБИНА ОПЕРАТОРА И СИСТЕМА УПРАВЛЕНИЯ
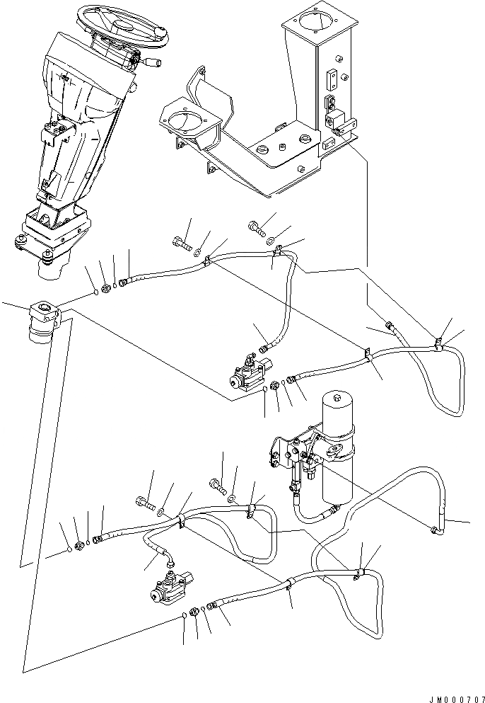
1
2
2
2
2
3
3
3
3
4
4
4
4
5
5
6
6
7
7
8
8
9
9
9
9
10
10
11
11
12
12
12
12
13
13
14
14
15
15
15
15
FIT
1:1
100%

Артикул

Название

Примечание

Количество

1

427-S33-2821

VALVE ASS'Y

SN: 70002-UP

1шт.

2

415-62-11560

O-RING

SN: 70002-UP

4шт.

3

421-09-31760

NIPPLE

SN: 70002-UP

4шт.

4

02896-11009

O-RING

SN: 70002-UP

4шт.

5

02753-00318

HOSE

SN: 70002-UP

1шт.

6

02754-00329

HOSE

SN: 70002-UP

1шт.

7

427-S33-3360

HOSE, 1450MM

SN: 70002-UP

1шт.

8

02754-00322

HOSE

SN: 70002-UP

1шт.

9

04434-51610

CLIP

SN: 70002-UP

4шт.

10

01010-81020

BOLT

SN: 70002-UP

2шт.

11

01643-31032

WASHER

SN: 70002-UP

2шт.

12

04434-52511

CLIP

SN: 70002-UP

4шт.

13

01010-81020

BOLT

SN: 70002-UP

2шт.

14

01643-31032

WASHER

SN: 70002-UP

2шт.

15

07095-20318

CUSHION

SN: 70002-UP

4шт.

Выбрано товаров: 15