Запчасти Komatsu WA800-3E0 ТОПЛИВОПРОВОД. (/)(№7-7) ТОПЛИВН. БАК. AND КОМПОНЕНТЫ

Схема запчастей Komatsu WA800-3E0 - ТОПЛИВОПРОВОД. (/)(№7-7) ТОПЛИВН. БАК. AND КОМПОНЕНТЫ
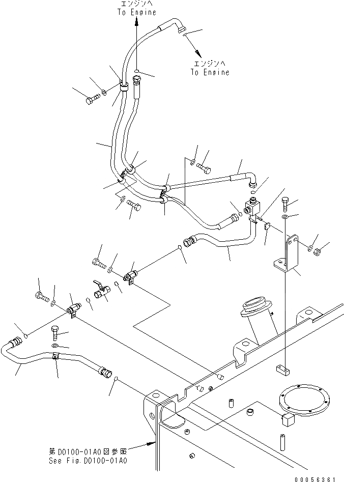
1
2
2
3
4
5
6
6
7
7
8
8
9
9
10
11
12
13
14
15
16
17
18
19
20
21
21
22
23
23
24
24
25
25
26
26
26
27
27
27
28
28
28
FIT
1:1
100%

Артикул

Название

Примечание

Количество

1

427-04-21431

TUBE

SN: 70001-UP

1шт.

2

02896-21018

O-RING

SN: 70001-UP

2шт.

3

04434-52711

CLIP

SN: 70001-UP

1шт.

4

01010-81020

BOLT

SN: 70001-UP

1шт.

5

01643-31032

WASHER

SN: 70001-UP

1шт.

6

427-04-21441

NIPPLE

SN: 70001-UP

2шт.

7

07002-22034

O-RING

SN: 70001-UP

2шт.

8

01010-81020

BOLT

SN: 70001-UP

2шт.

9

01643-31032

WASHER

SN: 70001-UP

2шт.

10

561-04-82120

VALVE

SN: 70001-UP

1шт.

11

427-04-21421

TUBE

SN: 70001-UP

1шт.

12

02896-21018

O-RING

SN: 70001-UP

1шт.

13

07283-32746

CLIP

SN: 70001-UP

1шт.

14

07283-52737

SEAT

SN: 70001-UP

1шт.

15

01643-31032

WASHER

SN: 70001-UP

2шт.

16

01597-01009

NUT

SN: 70001-UP

2шт.

17

427-04-21460

PLATE

SN: 70001-UP

1шт.

18

01010-81230

BOLT

SN: 70001-UP

2шт.

19

01643-31232

WASHER

SN: 70001-UP

2шт.

20

02763-00621

HOSE

SN: 70001-UP

1шт.

21

02896-21018

O-RING

SN: 70001-UP

2шт.

22

02763-00615

HOSE

SN: 70001-UP

1шт.

23

02896-21018

O-RING

SN: 70001-UP

2шт.

24

04434-53411

CLIP

SN: 70001-UP

2шт.

25

07095-20625

CUSHION

SN: 70001-UP

2шт.

26

04434-52711

CLIP

SN: 70001-UP

3шт.

27

01010-81020

BOLT

SN: 70001-UP

3шт.

28

01643-31032

WASHER

SN: 70001-UP

3шт.

Выбрано товаров: 28