Запчасти Komatsu WA800-3E0 ГИДР. БАК., СИСТЕМА ТРУБ ОХЛАЖДЕНИЯ (№7-) ГИДР. БАК., С ТОРМОЗ. МАСЛ. СИСТЕМА ОХЛАЖДЕНИЯ, VHMS, ORBCOMM

Схема запчастей Komatsu WA800-3E0 - ГИДР. БАК., СИСТЕМА ТРУБ ОХЛАЖДЕНИЯ (№7-) ГИДР. БАК., С ТОРМОЗ. МАСЛ. СИСТЕМА ОХЛАЖДЕНИЯ, VHMS, ORBCOMM
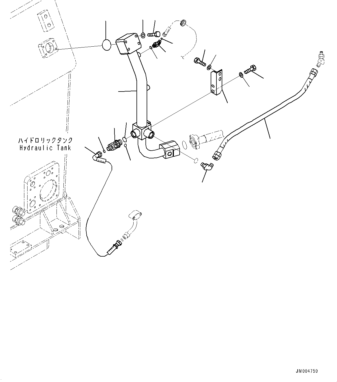
14
13
8
9
10
11
12
13
14
6
2
7
4
5
3
17
16
15
1
FIT
1:1
100%

Артикул

Название

Примечание

Количество

1

02896-21012

O-ring

SN: 70034-UP

1шт.

2

02763-005A5

Hose, Face Seal Type

SN: 70034-UP

1шт.

3

02896-21015

O-ring

SN: 70034-UP

1шт.

4

427-62-21621

Tee

SN: 70034-UP

1шт.

5

07002-23334

O-ring

SN: 70034-UP

1шт.

6

07102-21212

Hose, Taper Seal Type

SN: 70034-UP

1шт.

7

427-S95-4260

Elbow

SN: 70034-UP

1шт.

8

427-S05-5750

Tube

SN: 70034-UP

1шт.

9

01011-81205

Bolt

SN: 70034-UP

4шт.

10

01643-31232

Washer

SN: 70034-UP

4шт.

11

07000-E2070

O-ring

SN: 70034-UP

1шт.

12

427-62-14380

Angle

SN: 70034-UP

1шт.

13

01010-81225

Bolt

SN: 70034-UP

2шт.

14

01643-31232

Washer

SN: 70034-UP

2шт.

15

02896-21009

O-ring

SN: 70034-UP

1шт.

16

02782-10315

Elbow

SN: 70034-UP

1шт.

17

07002-22034

O-ring

SN: 70034-UP

1шт.

Выбрано товаров: 17