Запчасти Komatsu WA800-3E0 ГИДРОЛИНИЯ, СИСТЕМА ТРУБ ОХЛАЖДЕНИЯ КРЕПЛЕНИЕ (№7-) ГИДРОЛИНИЯ, С ТОРМОЗ. МАСЛ. СИСТЕМА ОХЛАЖДЕНИЯ, С ПРОХОДНЫМ ФИЛЬТРОМ, С ЭКСТРЕНН. УПРАВЛ.

Схема запчастей Komatsu WA800-3E0 - ГИДРОЛИНИЯ, СИСТЕМА ТРУБ ОХЛАЖДЕНИЯ КРЕПЛЕНИЕ (№7-) ГИДРОЛИНИЯ, С ТОРМОЗ. МАСЛ. СИСТЕМА ОХЛАЖДЕНИЯ, С ПРОХОДНЫМ ФИЛЬТРОМ, С ЭКСТРЕНН. УПРАВЛ.
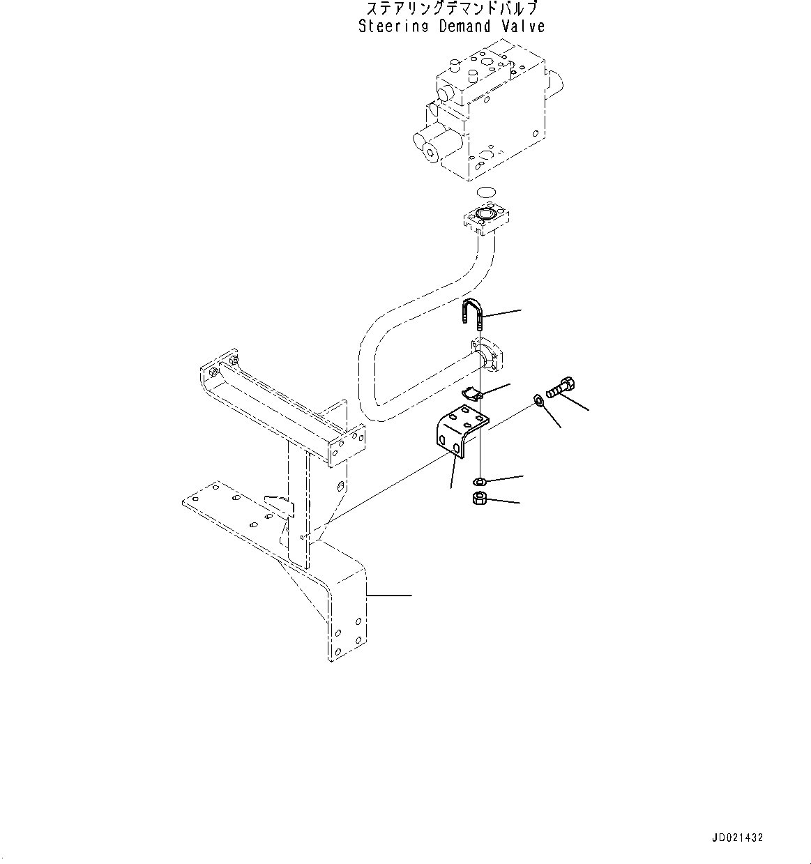
7
6
5
4
3
2
1
8
FIT
1:1
100%

Артикул

Название

Примечание

Количество

1

427-N35-1170

Plate

SN: 70030-UP

1шт.

2

01010-81235

Bolt

SN: 70030-UP

2шт.

3

01643-31232

Washer

SN: 70030-UP

2шт.

4

07283-34354

Clip, Pipe

SN: 70030-UP

1шт.

5

07283-54353

Seat

SN: 70030-UP

1шт.

6

01597-01009

Nut

SN: 70030-UP

2шт.

7

01643-31032

Washer

SN: 70030-UP

2шт.

8

427-N35-2141

Bracket

SN: UP

-1шт.

Выбрано товаров: 8