Запчасти Komatsu WA800-3E0 ГИДРОЛИНИЯ, МАСЛООХЛАДИТЕЛЬ ЧАСТИ КОРПУСА (/) (№7-) ГИДРОЛИНИЯ, С ЭКСТРЕНН. УПРАВЛ., АВТОМАТИЧ. УПРАВЛ-Е ТИП, ТОРМОЗ. МАСЛ. СИСТЕМА ОХЛАЖДЕНИЯ, БЕЗ ADVANCED ДЖОЙСТИК РУЛЕВ. УПРАВЛЕНИЕ

Схема запчастей Komatsu WA800-3E0 - ГИДРОЛИНИЯ, МАСЛООХЛАДИТЕЛЬ ЧАСТИ КОРПУСА (/) (№7-) ГИДРОЛИНИЯ, С ЭКСТРЕНН. УПРАВЛ., АВТОМАТИЧ. УПРАВЛ-Е ТИП, ТОРМОЗ. МАСЛ. СИСТЕМА ОХЛАЖДЕНИЯ, БЕЗ ADVANCED ДЖОЙСТИК РУЛЕВ. УПРАВЛЕНИЕ
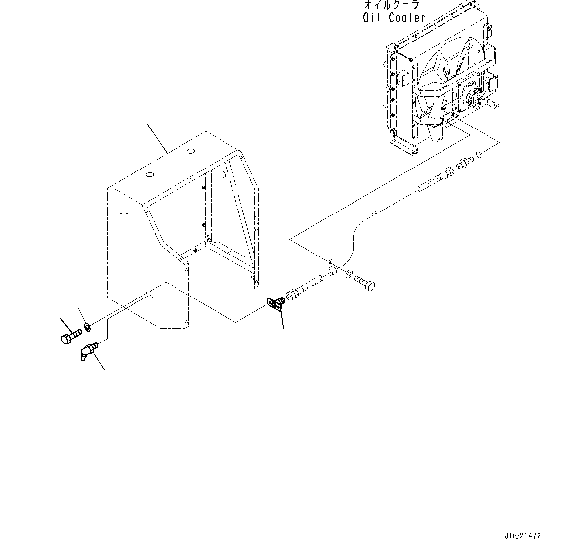
4
2
1
3
5
FIT
1:1
100%

Артикул

Название

Примечание

Количество

1

427-S05-5290

Adapter

SN: 70030-UP

1шт.

2

01010-80616

Bolt

SN: 70030-UP

2шт.

3

01643-30623

Washer

SN: 70030-UP

2шт.

4

07020-00675

Fitting, Grease

SN: 70030-UP

1шт.

5

41F-S05-1731

Guard

SN: UP

-1шт.

Выбрано товаров: 5