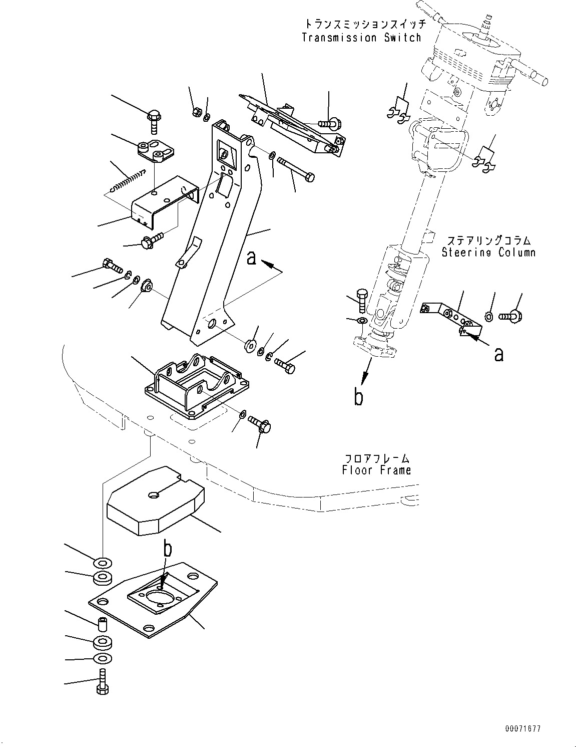
Запчасти Komatsu WA800-3E0 ПОЛ, РУЛЕВ. КОЛОН. СУППОРТ (№7-) ПОЛ, АНТИОБЛЕДЕНИТЕЛЬ И ДОПОЛН. ОБОГРЕВАТ БЛОК

Схема запчастей Komatsu WA800-3E0 - ПОЛ, РУЛЕВ. КОЛОН. СУППОРТ (№7-) ПОЛ, АНТИОБЛЕДЕНИТЕЛЬ И ДОПОЛН. ОБОГРЕВАТ БЛОК
29
11
6
7
8
6
7
8
5
27
19
23
19
21
22
20
26
25
18
24
11
17
15
28
14
13
12
3
4
1
2
4
2
9
10
30
5
16
FIT
1:1
100%

Артикул

Название

Примечание

Количество

1

01011-81020

Bolt

SN: 70030-UP

2шт.

2

01643-31032

Washer

SN: 70030-UP

4шт.

3

01596-01009

Nut, Flanged

SN: 70030-UP

2шт.

4

421-40-22650

Shim, T=0.5mm

SN: 70030-UP

8шт.

5

421-40-22630

Bushing

SN: 70030-UP

2шт.

6

01010-81025

Bolt

SN: 70030-UP

2шт.

7

01602-21030

Washer

SN: 70030-UP

2шт.

8

01643-31032

Washer

SN: 70030-UP

2шт.

9

418-43-18240

Spring

SN: 70030-UP

2шт.

10

425-54-22240

Support

SN: 70030-UP

1шт.

11

01435-01020

Bolt

SN: 70030-UP

4шт.

12

427-06-26990

Support

SN: 70043-UP

1шт.

12

421-54-22230

Support

SN: 70030-70042

1шт.

13

01435-00612

Bolt

SN: 70030-UP

2шт.

14

421-54-22240

Support

SN: 70030-UP

1шт.

15

01435-00616

Bolt

SN: 70030-UP

2шт.

16

01643-30623

Washer

SN: 70030-UP

6шт.

17

425-54-22231

Bracket

SN: 70030-UP

1шт.

18

419-40-22610

Bracket

SN: 70030-UP

1шт.

19

419-43-17920

Washer

SN: 70030-UP

6шт.

20

417-62-13620

Cushion

SN: 70030-UP

3шт.

21

417-62-14130

Spacer

SN: 70030-UP

3шт.

22

419-43-17930

Cushion

SN: 70030-UP

3шт.

23

01435-01250

Bolt

SN: 70030-UP

3шт.

24

419-40-22621

Seal

SN: 70030-UP

1шт.

25

02010-70638

Bolt

SN: 70030-UP

4шт.

26

01643-31032

Washer

SN: 70030-UP

4шт.

27

425-54-22210

Support

SN: 70030-UP

1шт.

28

425-54-22220

Bracket

SN: 70030-UP

1шт.

29

01435-01230

Bolt

SN: 70030-UP

4шт.

30

01643-31232

Washer

SN: 70030-UP

4шт.

Выбрано товаров: 31