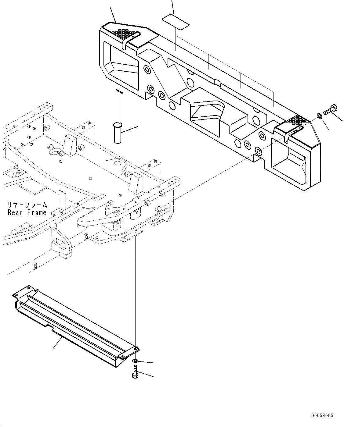
Запчасти Komatsu WA800-3E0 ПРОТИВОВЕС (№7-) ПРОТИВОВЕС, БЕЗ ПЕРЕДН. ПРОТИВОВЕС ТИП

Схема запчастей Komatsu WA800-3E0 - ПРОТИВОВЕС (№7-) ПРОТИВОВЕС, БЕЗ ПЕРЕДН. ПРОТИВОВЕС ТИП
1
2
3
4
5
6
7
8
FIT
1:1
100%

Артикул

Название

Примечание

Количество

1

427-46-25380

Weight, 2190Kg

SN: 70030-UP

1шт.

2

425-974-1160

Bolt

SN: 70030-UP

6шт.

3

01643-33080

Washer

SN: 70030-UP

6шт.

4

427-46-13120

Pin

SN: 70030-UP

1шт.

5

427-46-25341

Cover

SN: 70030-UP

1шт.

6

01010-82045

Bolt

SN: 70030-UP

4шт.

7

01643-32060

Washer

SN: 70030-UP

4шт.

8

417-06-11321

Plate

SN: 70030-UP

4шт.

Выбрано товаров: 8