Запчасти Komatsu WA800-3E0 ГИДРОТРАНСФОРМАТОР И ТРАНСМИССИЯ, ГТР ПОТОК ТРУБЫ (№7-) ГИДРОТРАНСФОРМАТОР И ТРАНСМИССИЯ, УСИЛЕНН. ПРОВОДКА, С ТОРМОЗ. МАСЛ. СИСТЕМА ОХЛАЖДЕНИЯ, PM SERVICE СОЕДИН-Е

Схема запчастей Komatsu WA800-3E0 - ГИДРОТРАНСФОРМАТОР И ТРАНСМИССИЯ, ГТР ПОТОК ТРУБЫ (№7-) ГИДРОТРАНСФОРМАТОР И ТРАНСМИССИЯ, УСИЛЕНН. ПРОВОДКА, С ТОРМОЗ. МАСЛ. СИСТЕМА ОХЛАЖДЕНИЯ, PM SERVICE СОЕДИН-Е
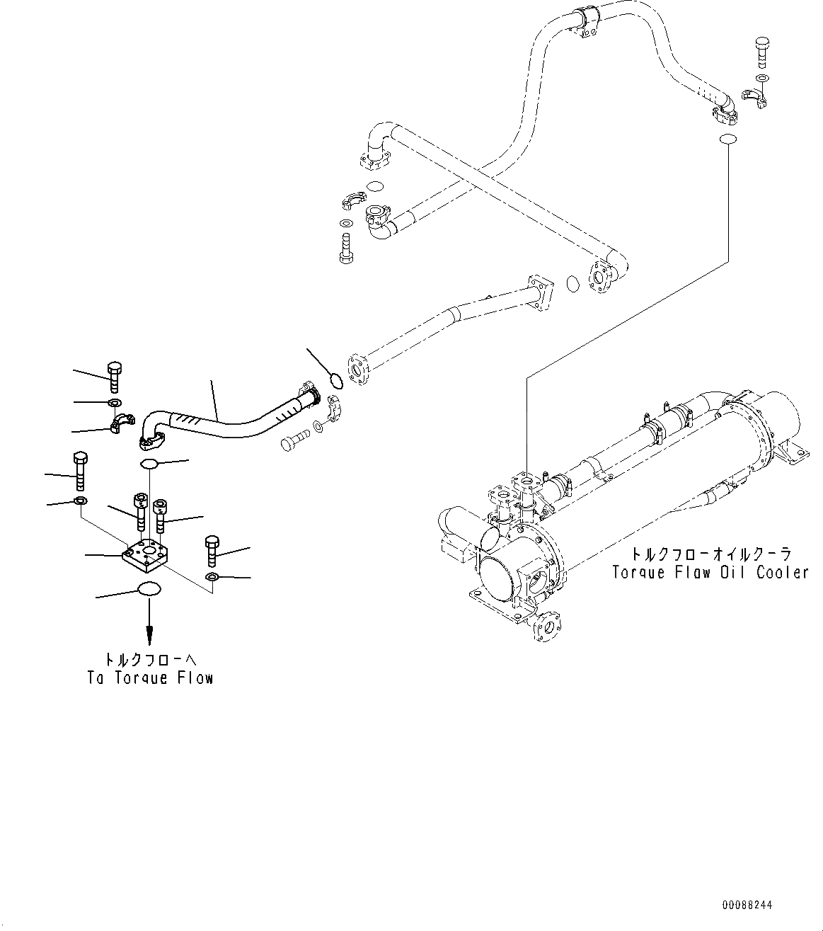
13
10
9
8
7
6
4
3
2
1
5
10
11
12
FIT
1:1
100%

Артикул

Название

Примечание

Количество

1

427-16-21230

Adapter

SN: 70030-UP

1шт.

2

07000-F2070

O-ring

SN: 70030-UP

1шт.

3

01011-81090

Bolt

SN: 70030-UP

1шт.

4

01010-81045

Bolt

SN: 70030-UP

1шт.

5

01643-31032

Washer

SN: 70030-UP

1шт.

6

01643-31032

Washer

SN: 70030-UP

1шт.

7

427-16-21430

Bolt

SN: 70030-UP

1шт.

8

01252-71025

Bolt, Hexagon Socket Head

SN: 70030-UP

1шт.

9

07298-01407

Hose

SN: 70030-UP

1шт.

10

07000-F3048

O-ring

SN: 70030-UP

2шт.

11

07371-31465

Flange

SN: 70030-UP

2шт.

12

07372-21235

Bolt

SN: 70030-UP

4шт.

13

01643-51232

Washer

SN: 70030-UP

4шт.

Выбрано товаров: 13