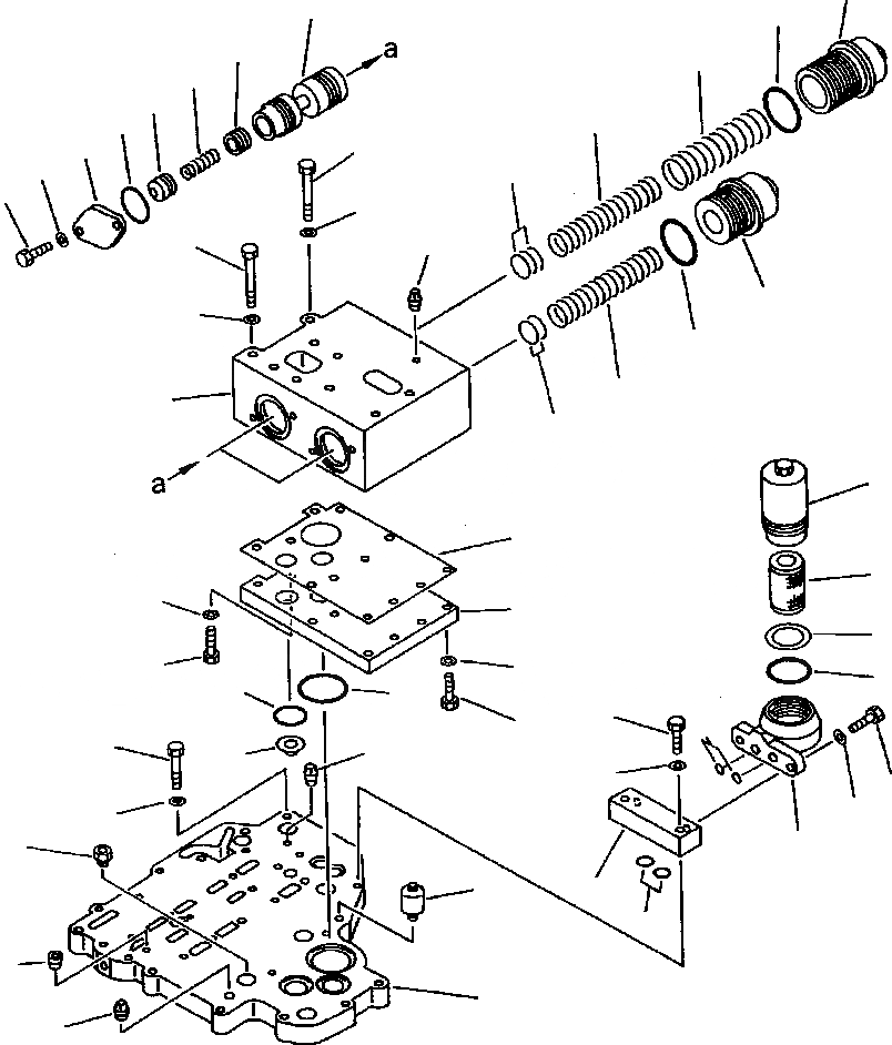
Запчасти Komatsu WA800-3LC F-9A КЛАПАН УПРАВЛЕНИЯ ТРАНСМИССИЕЙ (/) СИЛОВАЯ ПЕРЕДАЧА И КОНЕЧНАЯ ПЕРЕДАЧА

Схема запчастей Komatsu WA800-3LC - F-9A КЛАПАН УПРАВЛЕНИЯ ТРАНСМИССИЕЙ (/) СИЛОВАЯ ПЕРЕДАЧА И КОНЕЧНАЯ ПЕРЕДАЧА
31
20
32
21
30
22
23
29
25
50
24
27
28
26
51
43
19
35
44
36
34
18
33
7
38
8
42
37
10
41
40
9
46
45
16
39
11
48
3
47
17
12
13
49
7
5
14
6
15
2
1
4
FIT
1:1
100%

Артикул

Название

Примечание

Количество

|$0

427-15-15003

VALVE ASSEMBLY

SN: A50001--UP

1шт.

1

427-15-15130

SEAT

SN: A50001--UP

1шт.

2

07043-00108

PLUG

SN: A50001--UP

1шт.

3

07042-20108

PLUG

SN: A50001--UP

4шт.

4

07042-80211

PLUG

SN: A50001--UP

1шт.

5

170-21-11190

NIPPLE

SN: A50001--UP

1шт.

6

07030-00252

BREATHER

SN: A50001--UP

1шт.

7

426-15-16510

FILTER ASSEMBLY

SN: A50001--UP

1шт.

8

209-38-12470

ELEMENT

SN: A50001--UP

1шт.

9

209-38-12480

O-RING

SN: A50001--UP

1шт.

10

209-38-12490

RING, BACK-UP

SN: A50001--UP

1шт.

11

07000-72014

O-RING

SN: A50001--UP

2шт.

12

01010-81030

BOLT

SN: A50001--UP

2шт.

13

01643-31032

WASHER

SN: A50001--UP

2шт.

14

427-15-15830

SEAT

SN: A50001--UP

1шт.

15

07000-72021

O-RING

SN: A50001--UP

2шт.

16

01010-81045

BOLT

SN: A50001--UP

2шт.

17

01643-31032

WASHER

SN: A50001--UP

2шт.

18

427-15-15220

BODY, VALVE

SN: A50001--UP

1шт.

19

07042-80108

PLUG

SN: A50001--UP

4шт.

20

427-15-15231

VALVE

SN: A50001--UP

2шт.

21

427-15-15490

VALVE

SN: A50001--UP

2шт.

22

427-15-16130

SPRING

SN: A50001--UP

2шт.

23

427-15-15480

VALVE

SN: A50001--UP

2шт.

24

427-15-15810

PLATE

SN: A50001--UP

2шт.

25

07000-72060

O-RING

SN: A50001--UP

2шт.

26

01010-81030

BOLT

SN: A50001--UP

4шт.

27

01643-31032

WASHER

SN: A50001--UP

4шт.

28

427-15-16470

SHIM, 0.5 MM

SN: A50001--UP

14шт.

29

427-15-16110

SPRING

SN: A50001--UP

1шт.

30

427-15-16120

SPRING

SN: A50001--UP

1шт.

31

427-15-15820

PLUG

SN: A50001--UP

1шт.

32

427-15-15910

O-RING

SN: A50001--UP

1шт.

33

427-15-16470

SHIM, 0.5 MM

SN: A50001--UP

2шт.

34

427-15-16140

SPRING

SN: A50001--UP

1шт.

35

427-15-15850

PLUG

SN: A50001--UP

1шт.

36

427-15-15910

O-RING

SN: A50001--UP

1шт.

37

427-15-15140

SEAT, VALVE

SN: A50001--UP

1шт.

38

427-15-15921

GASKET

SN: A50001--UP

1шт.

39

01010-81040

BOLT

SN: A50001--UP

5шт.

40

01643-31032

WASHER

SN: A50001--UP

5шт.

41

01252-41025

BOLT

SN: A50001--UP

3шт.

42

01602-21030

WASHER, LOCK

SN: A50001--UP

3шт.

43

01011-81035

BOLT

SN: A50001--UP

1шт.

44

01643-31032

WASHER

SN: A50001--UP

1шт.

45

07000-72060

O-RING

SN: A50001--UP

1шт.

46

07000-73035

O-RING

SN: A50001--UP

2шт.

47

427-15-15840

PLUG

SN: A50001--UP

1шт.

48

01010-51050

BOLT

SN: A50001--UP

3шт.

49

01643-31032

WASHER

SN: A50001--UP

3шт.

50

01011-81065

BOLT

SN: A50001--UP

1шт.

51

01643-31032

WASHER

SN: A50001--UP

1шт.

Выбрано товаров: 52